EasyManua.ls Logo

Case CX160 - Page 126

Case CX160
273 pages
Print Icon
To Next Page IconTo Next Page
To Next Page IconTo Next Page
To Previous Page IconTo Previous Page
To Previous Page IconTo Previous Page
Loading...
ELECTRICAL
4 - 29
CX EXCAVATORS
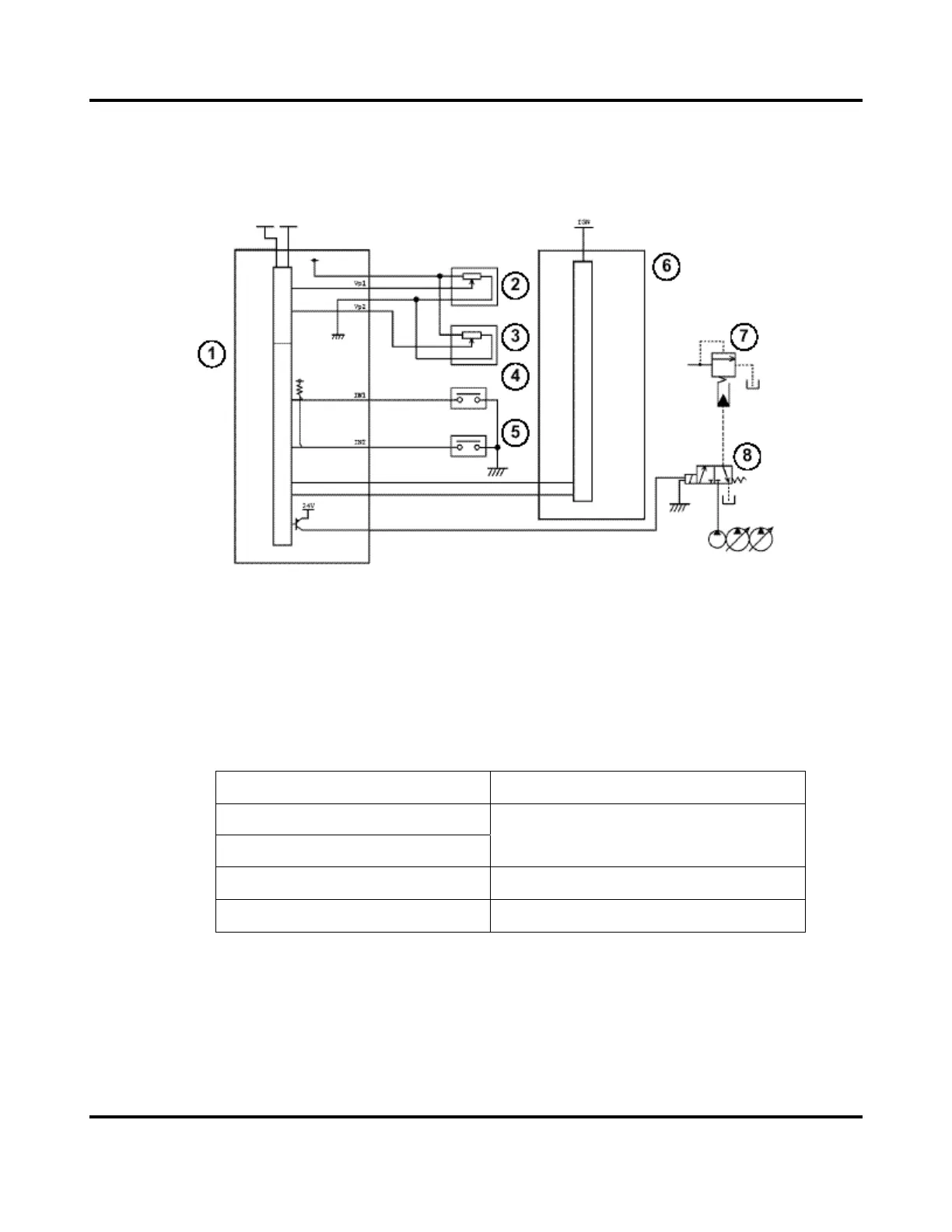
AUTOMATIC POWER BOOST
Circuit Configuration
1. Main Controller
2. Pressure detector P1
3. Pressure detector P2
4. Travel pilot pressure switch
5. Option pilot pressure switch
6. Engine Controller
7. Main relief valve
8. Power boost solenoid valve
Pressure increase in each work mode
CX210/CX240
H MODE
S MODE
4970 5410 psi (8 seconds)
L MODE
4970 5410 (constant)
AUTO MODE
4970 5410 (8 seconds)

Table of Contents

Related product manuals