EasyManua.ls Logo

Case CX160 - Page 157

Case CX160
273 pages
Print Icon
To Next Page IconTo Next Page
To Next Page IconTo Next Page
To Previous Page IconTo Previous Page
To Previous Page IconTo Previous Page
Loading...
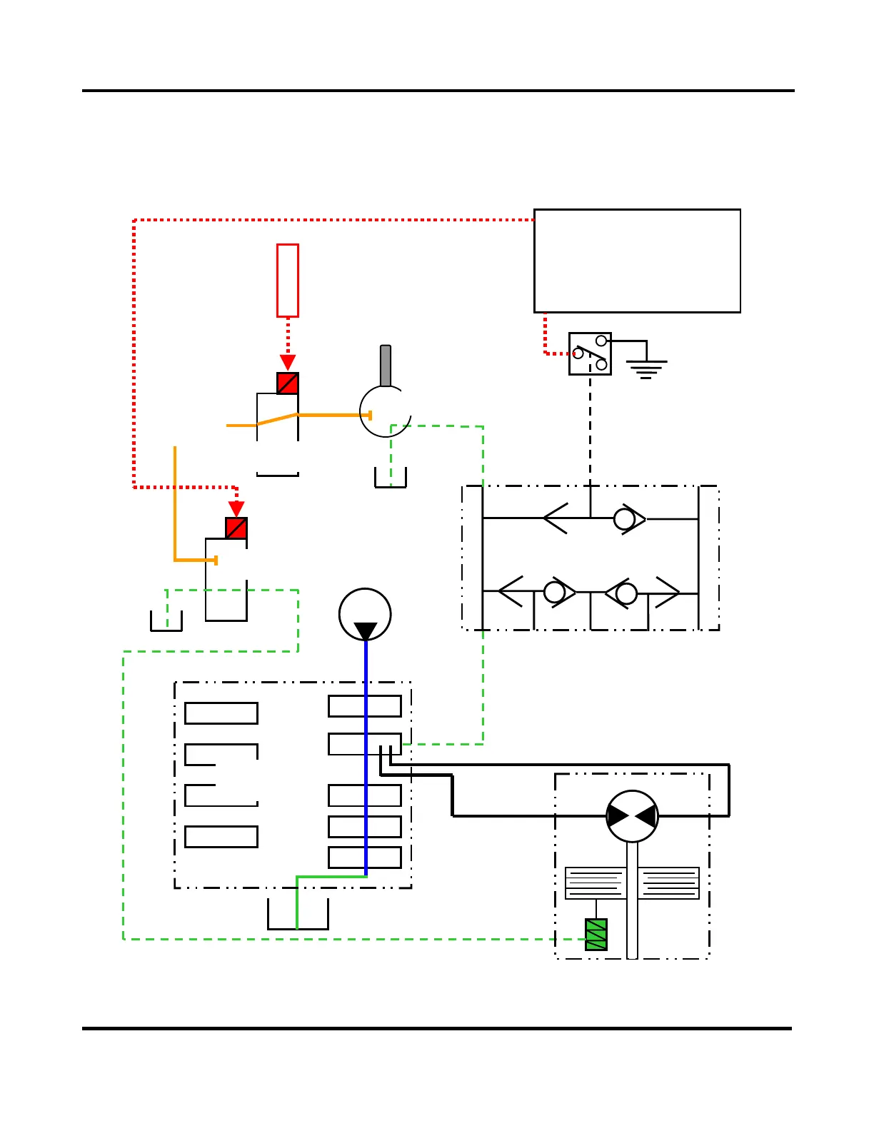
HYDRAULICS – CX130/CX160
5 - 17
CX EXCAVATORS
SWING BRAKE ON
CONTROLLER
10A Fuse
24V
24V
5V
P2
Swing pressure switch
Swing shuttle valve
Pilot control solenoid
Swing brake solenoid
Control
Valve
Swing
Motor
Pilot
Pressure
Swing hand control

Table of Contents

Related product manuals