EasyManua.ls Logo

Case CX160 - Page 183

Case CX160
273 pages
Print Icon
To Next Page IconTo Next Page
To Next Page IconTo Next Page
To Previous Page IconTo Previous Page
To Previous Page IconTo Previous Page
Loading...
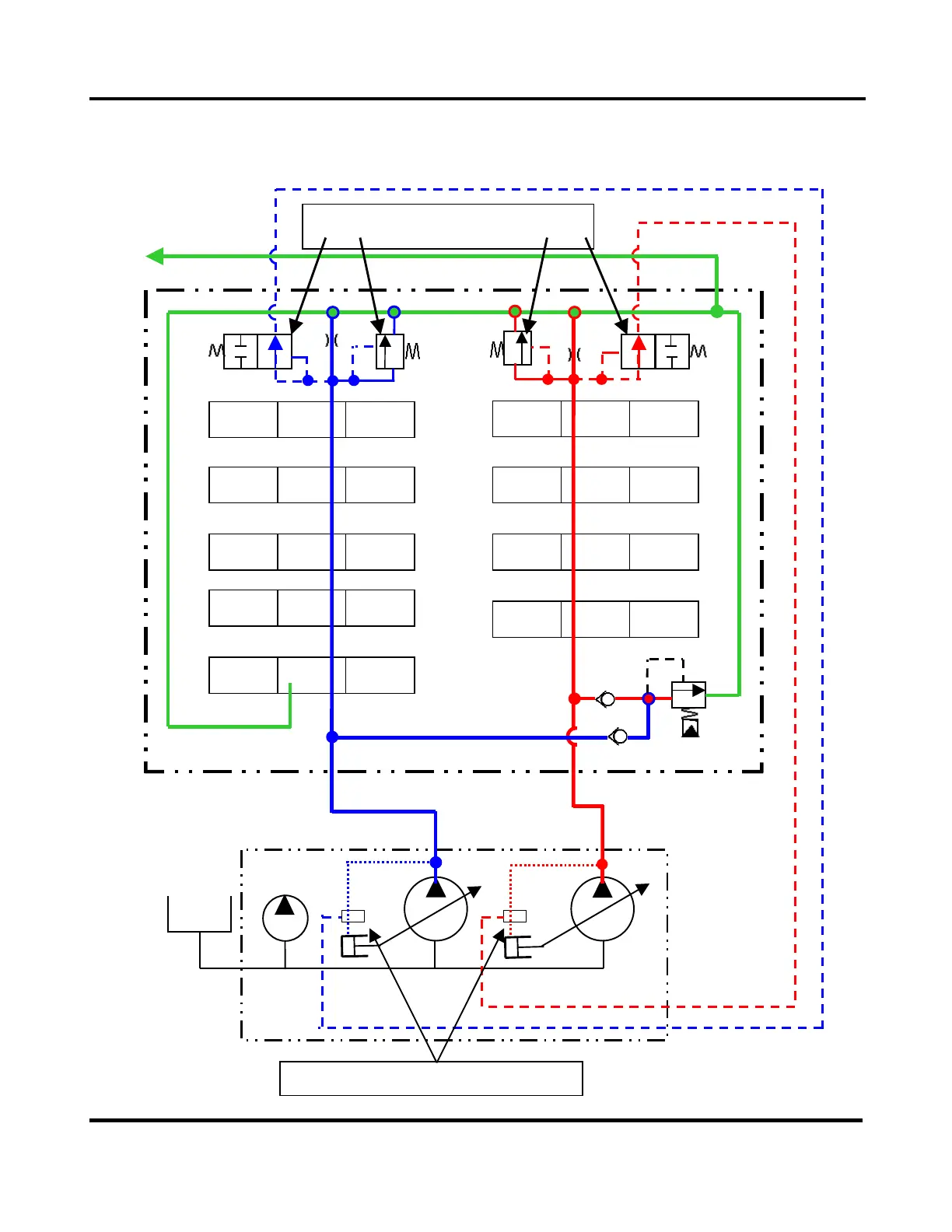
HYDRAULICS – CX130/CX160
5 - 43
CX EXCAVATORS
PUMP DE-STROKE (NEUTRAL)
Travel
Swing
Boom 2
Option
Arm 1
Arm 2
Bucket
Boom 1
Travel
P2 P1
PP
To Reservoir
Pump De-Stroke Valves
Pum
p
Re
g
ulators

Table of Contents

Related product manuals