EasyManua.ls Logo

CBE PC220-ST - Schema Dinstallazione Pc220; Installation Pc220; Einbauplan Pc220

CBE PC220-ST
Print Icon
To Next Page IconTo Next Page
To Next Page IconTo Next Page
To Previous Page IconTo Previous Page
To Previous Page IconTo Previous Page
Loading...
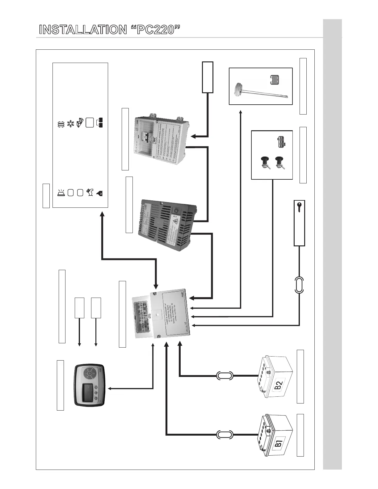
INSTALLATION“PC220”
50A
230VCUT-OUT BOARD
12VDISTRIBUTIONBOX
CONTROL PANEL
A
B
LIGHTSGROUP “A”
LIGHTSGROUP “B”
WATERPUMP
GAS/REFRIGERATOR
HEATING/BOILER
REFRIGERATOR
ELECTRICSTEP
AUXDIREKT
AUX
OUTD+
AWNINGLIGHT
USERS
BATTERY CHARGER
DRINKWATER TANK
WASTEWATER TANK
LEISUREBATTERY
CARBATTERY
230V
+IGNITION
PC220
EXT.C°
INT.C°
TEMPERATURESENSORS
41
50A
50A

Related product manuals