EasyManua.ls Logo

CBE PC220-ST - Schema Elettrico Pc220; Wiring Diagram Pc220; Elektrischer Plan Pc220

CBE PC220-ST
Print Icon
To Next Page IconTo Next Page
To Next Page IconTo Next Page
To Previous Page IconTo Previous Page
To Previous Page IconTo Previous Page
Loading...
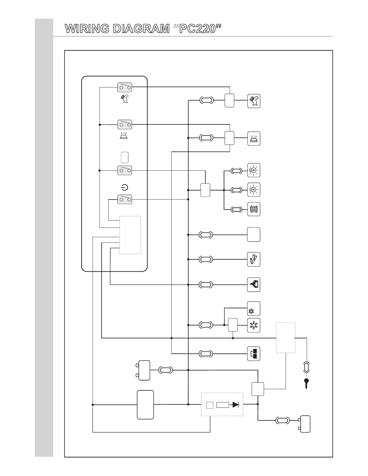
WIRINGDIAGRAM PC220”
42
R
S
+
PTC
AES
B2
CARICA
BATTERIE
SEPARATORE
ELETTRONICO
SCHEDA
ELETTRONICA
Min.Tens.<10V
5A
10A
20A
20A
20A
25A
3A
30A
50A
Relè
Relè
Relè
Relè
70A
A
B
B1
50A
10A
Relè
PC220
AUX
3A
12V

Related product manuals