EasyManua.ls Logo

cec DD-8200 - Printed Circuit Boards; Circuit Diagrams

Default Icon
11 pages
Print Icon
To Previous Page IconTo Previous Page
To Previous Page IconTo Previous Page
Loading...
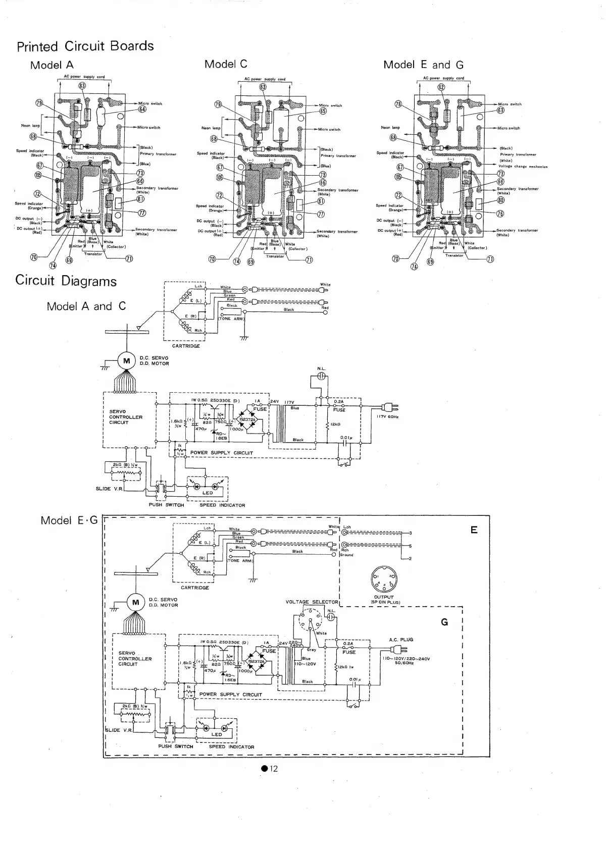
Printed
Circuit
Boards
Model
A
AC
power
supply
cord
Neon
lamp
Speed
indicator
{Black)<—J
Speed
indicator
(Orange
DC
output
(—)
ge
(Black)
LL
|
*
DC
output
(+).
g
(Red)
Circuit
Diagrams
Model
A
and
C
Model
C
Model
E
and
G
supply
cord
AC
power
supply
cord
AC
power
supply
cot
o
switch
—t
me
switch
‘Micro
switch
Neon
lamp
+>
Micro
switch
-—~J(eive)
OO
Secondary
transformer
(White)
Q
|
@
Speed
indicator
(Orange)<—J
»
Secondary
transformer
(White)
Speed
indicator
(Orange)~—F
DC
output
(~-)
PC
output
—-)
|
(Black)
=]
{Bleak}
Secondary
transformer
DC
output
(+).
Secondary
transformer
oc
out
Le
(White)
(Red)
(White)
White
(Collector
)
White
(Collector
)
Transist
Transistor
ransistor
CARTRIDGE.
D.C.
SERVO
D.D.
MOTOR
7
SERVO
CONTROLLER
CIRCUIT
:
Ep
Ia
Gg
ee
on,
t
4
PUSH
SWITCH
SPEED
INDICATOR
Ground
|
for
30)
|
oe
CARTRIDGE
|
©
OUTPUT
D.C.
SERVO
VOLTAGE
SELECTOR)
(SP
DIN
PLUG)
DD.MOTOR
ORL
ee
Sk
A.C.
PLUG
SERVO
110~
120V/220~240V
CONTROLLER
So
/eons
is
CIRCUIT
ee
a
ee
BRO
IB)
Mw
@12
O
f—>
(Black)
Primary
transformer
(White)
Voltage
change
mechanism
(Black)
(Black)
ss
inca,
5
Speed
indicator
Primary
transformer
Speed
indicator
Primary
transformer
(Black)<—
(Black)<—~J
(Blue)
Secondary
transformer
(White)
|___,
Secondary
transformer
(White)

Related product manuals