EasyManua.ls Logo

Celsior 35 BF - Flues;Chimneys; Installation Coaxial Duct; Installation Separate Pipes

Celsior 35 BF
36 pages
Print Icon
To Next Page IconTo Next Page
To Next Page IconTo Next Page
To Previous Page IconTo Previous Page
To Previous Page IconTo Previous Page
Loading...
9
ENG
pressure, with the system cold, must be betwe-
en 1 and 1.2 bar (14.5 and 17.4 psi). During
system filling you are recommended to keep the
main switch turned OFF. Filling must be done
slowly so as to allow any air bubbles to be bled off
through the air valves. Should the pressure have
risen well above the limit expected, discharge
the over pressure by opening the pressure-
relief valve. Bleed pump by loosen plug at back
of motor. Once air is removed re-tighten plug. It
may be necessary to free the pump motor befo-
re filling the system. This is done by removing
the pump plug and turning the pump shaft loose.
Do not forget to re-tighten pump plug before
filling system.
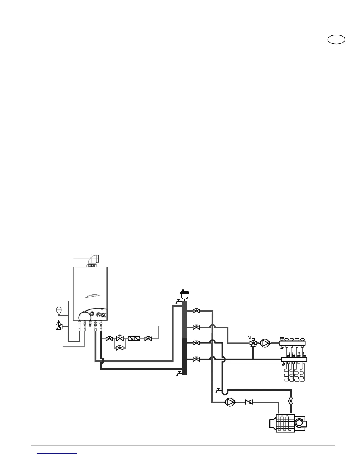
See typical piping in the figure below.
2.4.1 Emptying the system (fig. 5)
Use the drain tap to empty the system (9).
Turn off the boiler before doing this.
2.5 FLUES/CHIMNEYS
The flue or chimney used to release the pro-
ducts of combustion into the atmosphere must
comply with current standards and regulations.
Horizontal vent lengths must be supported
every I meter (39 in) or less to prevent sagging.
2.5.1 Passing flue pipes through
an existing chimney
When renovating or passing flue pipes through an
existing chimney, use only flues which are decla-
red suitable for the purpose by the manufacturer,
following the instructions for installation and use
provided by the manufacturer.
2.6 INSTALLATION COAXIAL PIPE (fig. 6)
The air inlet-smoke outlet assembly ø 60/100
is supplied in a kit code 8084811 complete with
mounting instructions.
With the curve supplied in the kit the maximum
horizontal length of the flue must not exceed 4
m (13 ft).
The diagrams in fig. 6 illustrate a number of exam-
ples of different coaxial outlets.
2.6.1 Coaxial flue diaphragm (fig. 6/a)
The boiler is supplied as standard with a ø
86 diaphragm. With outlet type C12, install
diaphragm ø 84 mm (3.3 inch) only if the coaxial
flue is less than 1 metres (3.3 ft) long.
For C32 discharge options, it is necessary to
order the optional diaphragm separately and use
it in accordance with the instructions provided in
figure 6/a.
2.7 INSTALLATION SEPARATE PIPES
The smoke pipe must be certified ø 3” catego-
ry III venting. When installing the pipes, follow
closely the requirements of the current stan-
dards and regulations, as well as the following
practical pointers:
1. With direct intake from outside, when the
pipe is longer than 1 m (3.3 ft), you are
recommended to insulate the piping so as
to prevent formation of dew on the out-
side of the piping during particularly hard
periods of the year.
2. With the outlet pipe outside the building or
in cold indoor environments, insulation is
necessary to prevent burner failure during
trial for ignition. In such cases, provide
for a condensate-collector system on the
piping.
3. If a segment of the flue passes through a
flammable wall, this segment must be insu-
lated with a glass wool pipe insulator 30
mm (1 in) thick, with a density of 50 kg/
m
3
(3lb/ft
3
) or follow vent manufacturers
instructions for clearances to combusti-
bles.
TYPICAL PIPING
COLD WATER
SUPPLY
HOT
WATER
SUPPLY
COLD
WATER
SUPPLY
BOILER LOOP
LOW
TEMPERATURE
LOOP
HIGH
TEMPERATURE
LOOP