EasyManua.ls Logo

Certikin HPP040 - Elektrisch Schema Van de WP

Certikin HPP040
143 pages
Print Icon
To Next Page IconTo Next Page
To Next Page IconTo Next Page
To Previous Page IconTo Previous Page
To Previous Page IconTo Previous Page
Loading...
nederlands
BLP / BLY WARMTEPOMP
· De kabels moeten correct geïnstalleerd worden, zodat ze geen interferentie veroorzaken (in kabelgoten gelegd).
· De warmtepomp is voorzien om aangesloten te worden op een stroomnet van met aardaansluiting.
· Kabelsectie. Deze sectie is indicatief en moet gecontroleerd en aangepast worden volgens de noodzakelijkheden
en de installatie-omstandigheden.
· De aanvaardbare tolerantie op de spanningschommeling bedraagt +/- 10% tijdens de werking.
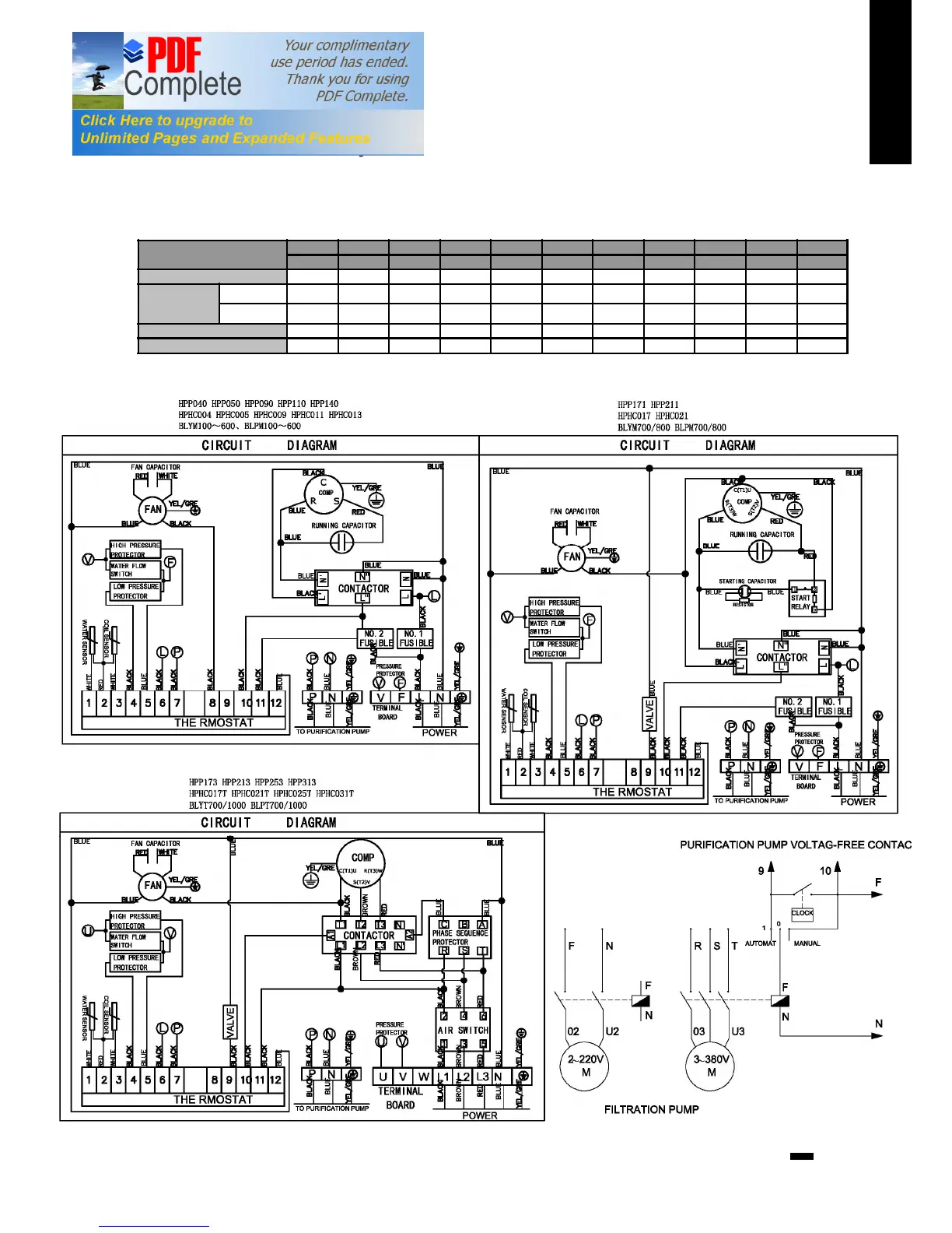
D. Elektrisch schema van de WP
105
MODEL
HPP040 HPP050 HPP090 HPP110 HPP140 HPP171 HPP173 HPP211 HPP213 HPP253 HPP313
HPHC004 HPHC005 HPHC009 HPHC011 HPHC013 HPHC017 HPHC017T HPHC021 HPHC021T HPHC025T HPHC031T
SPANNING/FREQUENTIE (V/Ph/Hz) 230/1/50 230/1/50 230/1/50 230/1/50 230/1/50 230/1/50 380/3/50 230/1/50 380/3/50 380/3/50 380/3/50
BESCHERMINGS-
INRICHTING TEGEN
KORTSLUITINGEN
NOMINALE
INTENSITEIT
2,5 A 3,8 A 8,3 A 9,2 A 12,0 A 16,0 A 6,0 A 21 A 7,8 A 9,6 A 10,2 A
LIMIET
RESTSTROOM
20mA 25mA 30mA 35mA 45 mA 60 mA 25 mA 100 mA 35 mA 40 mA 45 mA
KALIBER VAN DE ZEKERING 16 A 16 A 20 A 32 A 32 A 40 A 20 A 60 A 20 A 20 A 25 A
KALIBER VAN DE VOEDING 3 x 1,0 3 x 1,0 3 x 2,5 3 x 2,5 3 x 2,5 3 x 4 5 x 2,5 3 x 4 5 x 2,5 5 x 2,5 5 x 2,5

Table of Contents

Related product manuals