EasyManua.ls Logo

Certikin HPP040 - Esquema Eléctrico de la BC

Certikin HPP040
143 pages
Print Icon
To Next Page IconTo Next Page
To Next Page IconTo Next Page
To Previous Page IconTo Previous Page
To Previous Page IconTo Previous Page
Loading...
español
BOMBA DE CALOR BLP / BL
Y
· La bomba de calor está prevista para su conexión a una alimentación general con toma tierra.
· Sección del cable: Esta sección es indicativa y debe ser verificada y adaptada según las necesidades
y condiciones de instalación.
· La tolerancia de variación de tensión aceptable es de +/- 10% durante el funcionamiento.
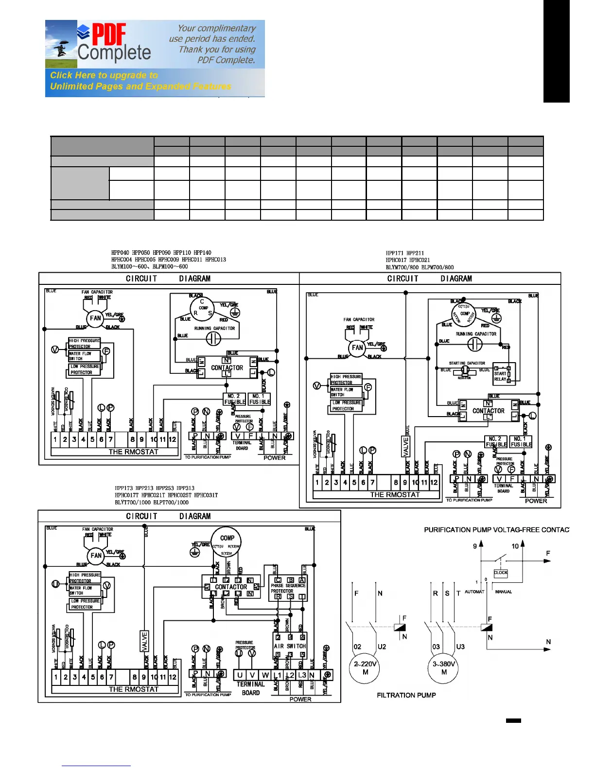
D. Esquema eléctrico de la BC
33
MODELO
HPP040 HPP050 HPP090 HPP110 HPP140 HPP171 HPP173 HPP211 HPP213 HPP253 HPP313
HPHC004 HPHC005 HPHC009 HPHC011 HPHC013 HPHC017 HPHC017T HPHC021 HPHC021T HPHC025T HPHC031T
VOLTAJE / FRECUENCIA (V/Ph/Hz) 230/1/50 230/1/50 230/1/50 230/1/50 230/1/50 230/1/50 380/3/50 230/1/50 380/3/50 380/3/50 380/3/50
DISPOSITIVO DE
PROTECCION CONTRA
CORTOCIRCUITOS
INTENSIDAD
NOMINAL
2,5 A 3,8 A 8,3 A 9,2 A 12,0 A 16,0 A 6,0 A 21 A 7,8 A 9,6 A 10,2 A
LIMITE DE
CORRIENTE
RESIDUAL
20mA 25mA 30mA 35mA 45 mA 60 mA 25 mA 100 mA 35 mA 40 mA 45 mA
CALIBRE DEL FUSIBLE 16 A 16 A 20 A 32 A 32 A 40 A 20 A 60 A 20 A 20 A 25 A
CALIBRE DE ALIMENTACION 3 x 1,0 3 x 1,0 3 x 2,5 3 x 2,5 3 x 2,5 3 x 4 5 x 2,5 3 x 4 5 x 2,5 5 x 2,5 5 x 2,5

Table of Contents

Related product manuals