EasyManua.ls Logo

CESAB S212 - Tiller arm 4000

Default Icon
324 pages
Print Icon
To Next Page IconTo Next Page
To Next Page IconTo Next Page
To Previous Page IconTo Previous Page
To Previous Page IconTo Previous Page
Loading...
© Cesab 13 – 1 T Code(s): 841, 842, 843
Repair manual: Tiller arm 4000 Model(s): S210, S212, S212S, S212L, S214, S214L, S220D
Publication Number: 7588857-040 Date: 2018-05-01 Applies from serial number: 6384351-
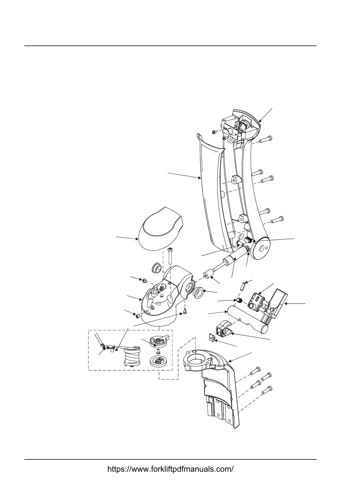
13. Tiller arm 4000
13.1 Overview
A
B
C
D
E
F
G
H
I
J
K
L
M
N
O
P
Q
R
S
T
U
V
w
https://www.forkliftpdfmanuals.com/

Table of Contents

Other manuals for CESAB S212

Related product manuals