EasyManua.ls Logo

Cessna 150K - Ignition Schematic

Cessna 150K
358 pages
Print Icon
To Next Page IconTo Next Page
To Next Page IconTo Next Page
To Previous Page IconTo Previous Page
To Previous Page IconTo Previous Page
Loading...
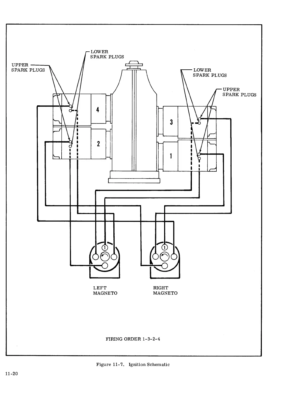
UPPER
---,.
SPARK
PLUGS
11-20
LOWER
SPARK
PLUGS
4
2
LEFT
MAGNETO
3
1
RIGHT
MAGNETO
FIRING
ORDER
1-3-2-4
Figure
11-7.
Ignition
Schematic
LOWER
SPARK
PLUGS
UPPER
SPARK
PLUGS

Table of Contents

Other manuals for Cessna 150K

Related product manuals