EasyManua.ls Logo

Cessna 150K - Page 298

Cessna 150K
358 pages
Print Icon
To Next Page IconTo Next Page
To Next Page IconTo Next Page
To Previous Page IconTo Previous Page
To Previous Page IconTo Previous Page
Loading...
KI\'
~
LpJ
JAil
':,l@
BUS
BA.<:'~
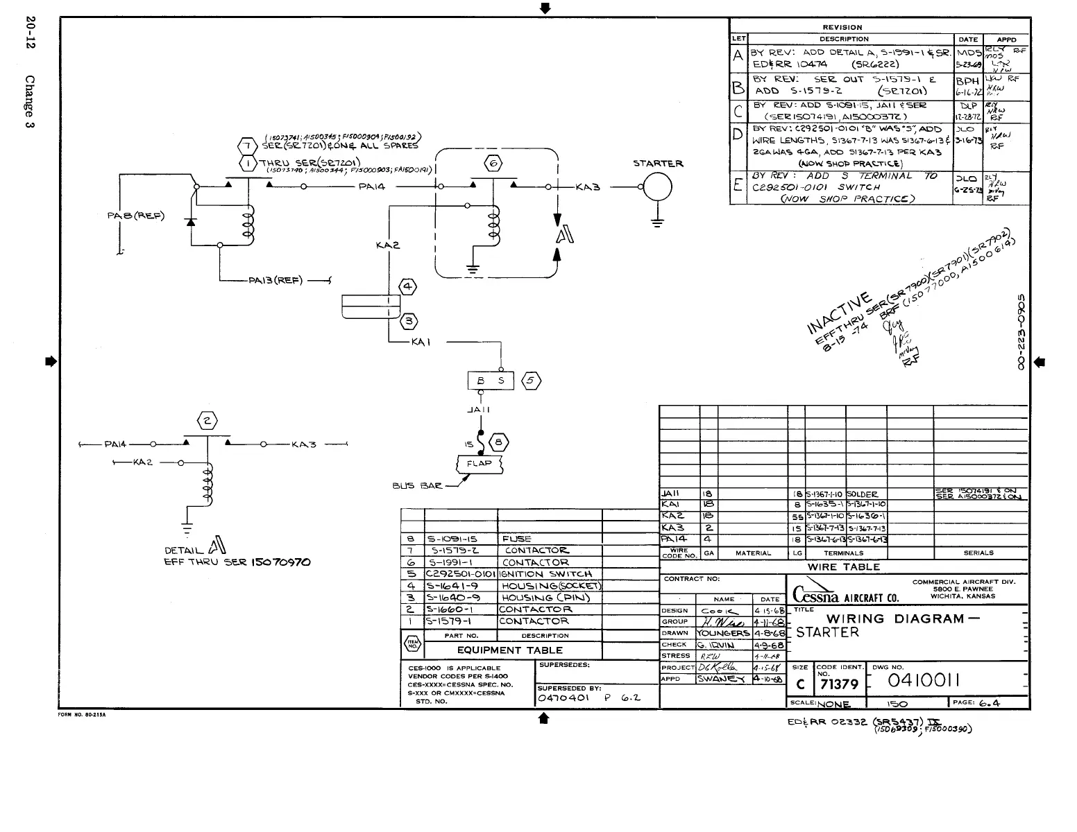
S-IO'3I-I'5
FUSE
,
S-15,"3-"L
C.ONI~C.'O¥:.
(0
'5 1991 I
CO"-lT",nOR
'5
C.2.~Z'=>OI-OIOI
leNITION
sw"c.1-\
JAil
IS
KI>,.,
1\8
IKI>.a.
Ie
KA.3.
"2-
~14-
4
WIRE
GA
CODE
NO.
CONTRACT"
NO:
REVISION
LET
DESCRIPTION
DATE
APPO
A B'<
REV:
1'.00
OE.'A.'L
A.,
':'>-\'?9\-\
~5li?
tvlo,:>
;;;';:;
I<>F
E.D\
RR
\0474
(SR("222)
>Z~
'-c~
'e:N
RE\I:
SE.12.
au,
~-\Sl"l-\
E.
BPI-\
\j::<.J
R.F
B
"'~D
S-I'5'9-"<.
bI2.1l.0\)
b-IUt'
;;!(~
C
BY
eEV,
ADD
S-'OSlI
15,
JAil';
SEE
bLP
~'kw
(SETC:
150.41"'"
,AI50='>"lZ.)
IFI.8·7Z.
et
D
BYREV:<.<:qZSOI-OIOI'e,"WA"'-S"ADD
)LO
~,'
WIRI:
LENG'H":>.
513<0,-7-13
\-.lA,"'SI3~7-(O-I:'~
>Ib-'T~
~t.J
2GAWA<;'
4<>A,
ADO
::;13107-7-'"
PER
I<A~
(~W
0;,>\0]>
PRA.~"\c;.~)
[
l3Y~t:V,
ADD
S
TDcN}INAL
TO
ce.az:!>ol
-0101
SWITCH
(NOW
SHOP
PRACTIC~)
Ie.
15'1367'/-10
tsoLDEe
MATERIAL
LG
TERMINALS
WIRE
TABLE
~
SERIALS
NAME
DATE
Cessna
AIRCRAFT
co.
COMMERCIAL
AIRCRAFT
DIV.
5800
E.
PAWNEE
WICHITA.
KANSAS
DIAGRAM--
r
__
~PA~R~T~N;O~'~~~~O~E~S~C~RI~P~TI~O~N
____
-ir-
______
-l~O~R~A~W~N=t~~OSU~N~~~~~~~~i-~8~-~b~E
~
CHECK
Gt.
\Q\J\\.l
4'~~68
\e/
EQUIPMENT
TABLE
WIRING
STARTER
CE5-IOOO
IS
APPLICABLE
VENDOR
CODES
PER
5-1400
CES-XXXX=CESSNA
SPEC.
NO.
S-XXX
OR
CMXXXX=CESSNA
STD.
NO.
0410011
SUPERSEDES:
PROJECT
DCKo-e«>-.
14·';-~(
SIZE
rCOOE
IOENT.
NO.
17.-==:::::--=-
____
FA::...:PP...::O~J.;S::.:w:.:.:A;~>-I::::.e~:-(L.J:I4-=_-~IO~~~
C 71379
SUPERSEDED
BY:
04,040\
P
Co.
1.
I-S-C-A-L-EL,
N--O-'
....
-
....
--
t:_--~---I~--o------....,I,..p-A-G-E-'
-10-.-4----
1
DWG
NO.

Table of Contents

Other manuals for Cessna 150K

Related product manuals