EasyManua.ls Logo

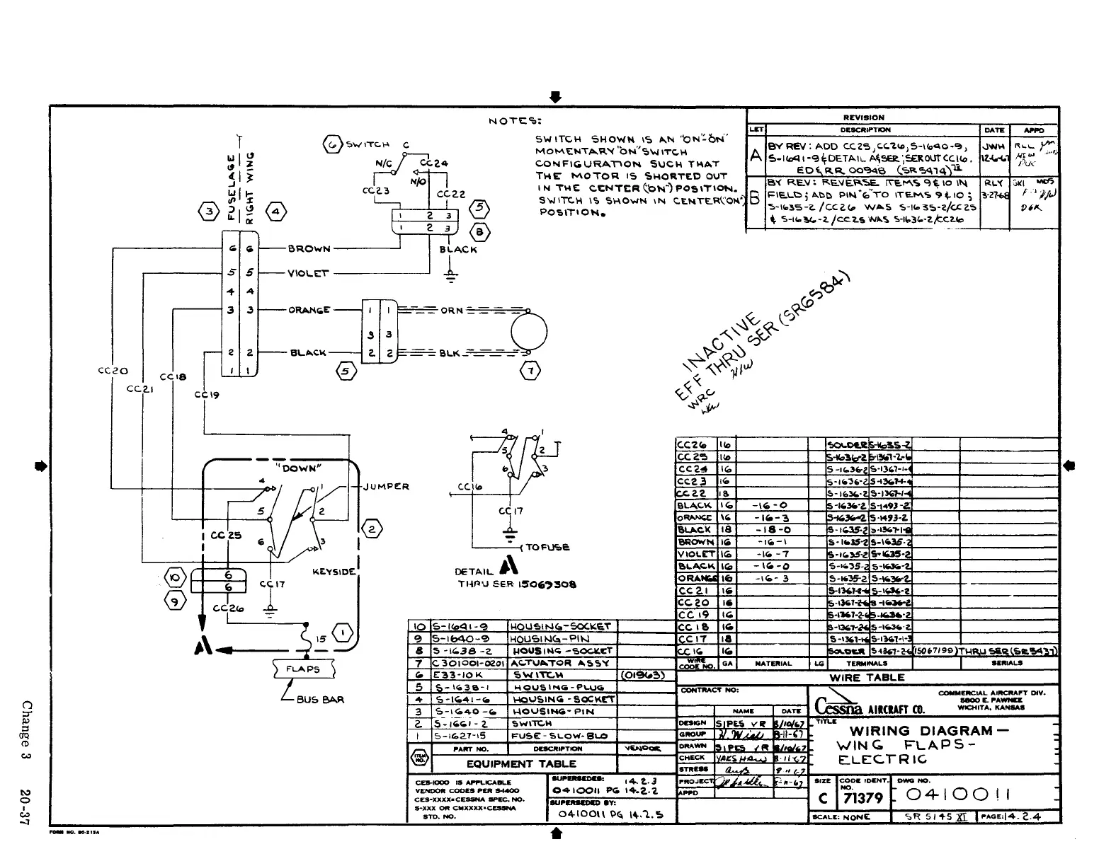
Cessna 150K - Wing Flaps Electric Wiring Diagram

Cessna 150K
358 pages
Print Icon
To Next Page IconTo Next Page
To Next Page IconTo Next Page
To Previous Page IconTo Previous Page
To Previous Page IconTo Previous Page
Loading...
NOTe,,":
REVISION
LET
DESCR,PTION
DATE
AI'PD
T
@"'WITe.1-'
C
SWITCH
SHOWN
IS
",1-1
"ON':O,
..
j'
R
.....
Y"'.
MOM~NT"""R,(
'ON"o:.'W
ITC-I-I
BV REV:
ADO
c.c.2S)c:.c:.~"'jS-llo""C-~)
.,JW\o\
"'I
\J
A
~-I(Q<II-'3~OETAIL
A~5EIt
i~OUTCC'(o.
\Z.~
,kIr w
J""
.,
~
~~4
CON
FI,",
URAT\ON
SUCk
TI-IAT
EO~RR..
oo~e
(SR~'4'iU.
i?u<
(I~
N~n
THE'
,"",OTOR
IS
SHORT£O
OUT
a-c
RE.\I:
RE.VE.I'O.-:.E.
(\~'"'~
q,-
10
I~
w:I';
.J
IN
TIoIC
ceNTeR
(:.b"'")
POS
ITION.
R,\..'(
:;,(1
~I'i
Cc.a:; CC2.2.
8
i=IE.\..\:) i
i>o.l)t\
PIN
·~"TO
ITE.""'"
~
4-10
;
"!.-27~
f'll.)
0'1~
0
'0
SWITC.I-I
I'i>
'5I-\OwN
IN
C.~NTE.R\:.'O"·
~-lfo3S-,
/celc,
WAS
,&-IIo3o;,-2/c.c2,=> 1)il<...
1 I
2.
3 1
PO,&ITION.
"
S-IIo~-Z./CC'5
'N"'S
'l.-l1031o-l.,.ccu..
\..
'
2.
3)
®
-r---
~
Ii
I--BROWN
I
sLACK
5
5
I--VIO\.~T'
1
~bt'
-=-
..,.
4
(o~
3
3
r-O
.....
-1[!:0
..
~
= - 0
X--
0~
-<,:,:~~~~
['
2
-BLACk
2 2
=OS.c-_--=
_-_
,,?-CJ
~
CC20
eCI8
....!....L
0 0
~,\y..~~vJ
~
eC2.1
cr
9
0-
<:-
~~
r~~
cczeo
lID
'!O.oeJt
S-w.:.!'S-l
cc.
2.~
lID
5.-Ib1.1d'2
~1~'-1.-1o
ttOQWN"
o~
"!>
ec2.~
''''
5
-II03"Z
£>-13101-1-
4
CC23
1<0
S-IC'o3('-
5-13(.H-
0
V
JUMPe:R
C("ID
~2.2.
~-1"34-t
S-I~H
1&
G
~/-e
C.C
17
BLAe.\<,
ICO
-1,,-0
=-
-1"3C'o-Z,
5-1493-2;
\co
~~
5-I4U-l.
1.
o~
-1"-3
ccr·~
:---
I@
~u.c:.1(
18
-18-0
!S-I(.35-Z
':I-I3W"I~
I
-:
BROWN
Iii
-If.-I
S-I60JS-t
S-\~35-
I
TO
FUSe.
V
lO\""
,~
-,
...
-7
~-I"~-Z
5-011035-2
@(
K<Yd
DETAIL
j\
&\..A.C.K
I""
-1"'-0
S-'''35-
S---~
6 )
ORA
....
lEI
-ICio-
:3
5-1635-2-
S-\403C'o-t.
Eo
I
C.C,17
THnIJ
SE.R:
150~')308
G)I
1
CC
2.1
I.
S-1l(,H~
5-1'-'6-2
C.~2(C
CC20
16
S-I~l-M
S-l~
CCI9
Iii
~-1'J61-2-
-~-2
~150
10
~-I(c~I-~
I-lOU~INc..-SOC"6.T
CCI~
IGo
s-~",,~
S-I(0.34-~
J.\.
9
5-1b40-~
HOU~,jo.,j"'-PIN
'-C17
1&
,&-1341-1<1
S-I~'-I-
8
:;
-1'-38-Z
~OUSI"'C;
-SOG¥.cT
:.c.11Oo
I"
5O\.0CJt
~H361-~
150.7/99
)TloIfW
SiltlSIt.~'!o1l
..
)
FLAPS
)
7
C
301001-0201
.....
C.TU
..
TOR
AS'=>"{
~E~,
GA
MATUlIAL
LG
TERMINALS
I
S.RIALS
"
E33-IOK
SWITC."
r(OI9C#~)
WIRE
TABLE
L8U&~
5
~-
I"
38-1
t-I
OUS
I
""Ci
-
PWCi
CONTltACI'
NO;
~
COMMENCIAL
AIftCMn
DIY.
""
S-H.""'-Cio
~U\OINCi
-
SOCIo4o£'T
15IlOO
E..
~AWME
-+-
S-I"'40-Cio
I-tOUSINCi-
PIN
NAM~
DATE
~AII(WTCO_
WCHITA.
KANSAS
2-
5-1""'-,
SWITC.~
DDlGN
SIP£.S
'"
If
'8110/f.]
TITLE
-
I
0-1102.1-\5
FUSE
-
S\,OW-
81.0
GIOOIJP'
JI_'W~
8-11-'7
WIRING
DIAGRAM-
-
".....,.
NO.
DESCRI,.TION
"'~o
...
D
....
_
SIPES
,/~
.""'«.7
WING.
FLAPS-
@
EQUIPMENT
TABLE
CHECK
iGCS;/.f4
'11
... 7
E.LE:C.
r R
Ie.
STRE"
tZ.,A
,./
_7
C£&IOOO
IS
~tcAlIL£
---
14.
to-l
"1OO~EC1
--g
~".J.Uc._
"o-h
.,ZE
rDD~
ID~NT,
DWG
NO.
VENDOR
CODES
PER
s-t.oo
0410011
PG
14.20-'2.
NO_
04-IOO!1
Pf'D
C 11319
CES-XXXX-
CESSNA
SPEC.
NO.
SUPIIEJISU)KD
.V:
s-xxx
OR
CMXXXXaCESattA
STD.
NO.
04-1001\
p~
'~.1..
~
SCALE,
NON£.
"'~
51
+S
XI
I
"AGE'14_
2.4
*

Table of Contents

Other manuals for Cessna 150K

Related product manuals