EasyManua.ls Logo

Cessna 150K - Page 342

Cessna 150K
358 pages
Print Icon
To Next Page IconTo Next Page
To Next Page IconTo Next Page
To Previous Page IconTo Previous Page
To Previous Page IconTo Previous Page
Loading...
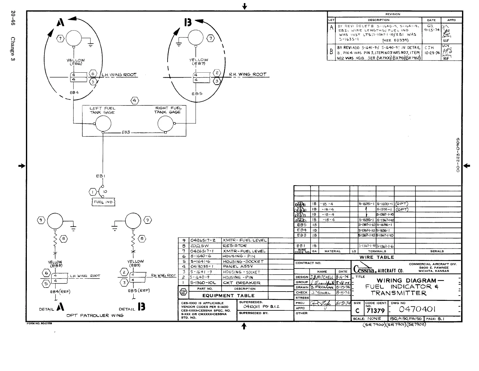
REVISION
;.\
13
LET
DESCRIPTION
DATE
APPD
0cr
A
BY
RE
v;
DELETE
5-
\ (.:AO-c"'r
S-I(,.41-~,
GS
:f'-
E~2\
wIRE
LENGTHS;
F0EI..
IND
'l-I3'-1+
"t,Cl
WAS
INST
LTS;S-13,,7-1-ID!E'01
wAs
",'7:'1
,,)-1~3~-1
(MER E03"3'1)
1?f'
B
BY
REV;ADD
S-I/,4I-~f
S-I/'''IiJ-~;
IN
DETAIL
CJH
;,C,,'(
B.
PIN
4
WAC,
PIN 3, ITEM
NO.3
WAS
N07
ITEM
10-23-74-
fl"J
YELLOW
NO.2
WAS
NO.8 5EI1
iC,R7900)(5R7'lOllc;I17~;2\
",~,
(EBb)
\ I
___
~
6 L"-,-,,NG=
\
f3@'
R.H.
WING
ROOT
4 @
4-y
7
,_Er/
EBS
®
,...-
LiOFT
FUEL
RIGHT
FuEl..
TAG
E
TANK
GAGE
0
EB3
tl\
0
0-
0
1
t11
N
!\l
I
0
0
J~
I FUEL.
IND.~
~IJ)
18
16
4-
5-1635-1
5-1370 I
OPT)
~§'a)
18
-1'0
4-
~
5-1370
I
I
(OPT)
<D
0
~'7)
18
18-4-
r
15-1$71-10
I~b
18
18
4-
5-1635-1
5-1%7+10
E65
18
15-
136
7-1-10
S
16$-1
-
-:-
-
EB4
18
S-I36"I-IO
15='1636-1
®
@
E63
18
15-1367-1-10
15-1367-1-10
~
042,,517
-
Z.
XMTR
FU
E'L.
LEVEl..
8
WSl..SW
I<ESISTOIi?
EBI
IS
S-13bl-1
10
S-13I01-I-b
1
0426517-1
XMTR-FUELLEVEL
WIRE
GA
MATERIAL
LG
CODE
NO
TERMINALS
SERIALS
6
5-16<10-6
HOUSI"-IG-
PIN
WIRE
TABLE
'feLLOW
'{ELL.OW
5
'5-1641-6
HOUSIN6-SCCI(ET
(EI3B)
(E89)
4
0413035-
I
PA"-IEL
ASS,!
CONTRACT
NO:
~
~$3~~"~
,=
~$3~'~~-'
COMMERCIAL
AIRCRAFT
DIV.
3
5 -
/&,4-1
-9
HOUSING
-
SOCKET
~na
..
AIRCRAFT
CO.
5800
E.
PAWNEE
NAME
DATE
WICHITA.
KANSAS
2
5 - Ib4-0
-9
HOUSING
-
PIN
DESIGN
J~.MITCHW
~.J("J'I-
_
TITLE
I
5-1300
IOL
C,KT
BREAi<.ER
GROUP
le«·
1'l"·1t:7~
:
WIRING
DIAGRAM-
-
-
e84(REF)
1:6
S
(RE'F)
PART
NO.
DESCRIPTION
DRAWN
B.FRoMAN
8-/5-14-
FUEL
INDICATOR
~
-
®
-
NO.
-
1
,L
EQUIPMENT
TABLE
CHECK
--'·YouEL
8-15-
7
4 -
TRANSMITTER
-
STRESS
- -
DETAIL
;.\
13
CES-IOOO
IS
APPLICABLE
SUPERSEDES:
PROJ
~,,;k
!319-7
VENDOR
CODES
PER
5-1400
04100
II
f'(;-
a 1.2.
SIZE
rODE
IDENT.
DWG
NO
DETAIL
CES-XXXX=CESSNA
SPEC.
NO.
APPD
U
NO.
=
0470401
-
OPT
PATROLLER
WIN<:>
s-xxx
OR
CMXXXX=CESSNA
SUPERSEDED
BY:
OTHER
C 71379
-
STD.
NO.
SCALE,
NONE
150
I
AISO,I=AlSo
I
PAGE,
6_1
FORM
NO.
8O-21!5B
t
(~R
7~oO)(SR790l)(SR7~OZ.)

Table of Contents

Other manuals for Cessna 150K

Related product manuals