EasyManua.ls Logo

Cessna 150K - Page 350

Cessna 150K
358 pages
Print Icon
To Next Page IconTo Next Page
To Next Page IconTo Next Page
To Previous Page IconTo Previous Page
To Previous Page IconTo Previous Page
Loading...
·
REVISION
0)
LET
DESCRIPTION
DATE
APPD
A
BY
f\EV;
DELETE.
WIRE
LENGTH
L J H
~~~
<I»
I
(sR79001fsF\7QOI){SR
7Q02.)
q-I~-74
B'f
RE-V!
ADD
NOTlS
:?t3,4"313,OPTT071TlE;
~.J
tl
I~~~
0
B
DElE.lE
OPT
FROM
WIRE
TABLE,
LU
,LE",>,¢
9-24-1>1-
j"d-r
~)
S?OIA-\
(Ll?(
I.E?_:
'5E'''-(St<.1'\oO}SeI<JDI't117'lO'l.
R-f
I
LC4
LEA
~~~
~
'"
LE5
LE2.
LC2.
LC5
b
l
~
°1
t@
~0
I
LEI
LCI
LeG
~
1
g
I
¥
\Yl
N
N
-
I
8
..
\
LDE>
LT
j
LE
5
I?
5-1%7-3-8
S-13b7-3-6
LE
4
12.
5-14'13-3 5-1%7-3-8
LE2
IL
5-1493-3
5-1493-3
LE
I
I
5-1493-3
$-13107-1-("
LC
6
I
5-1493-3
5-1367-3-6
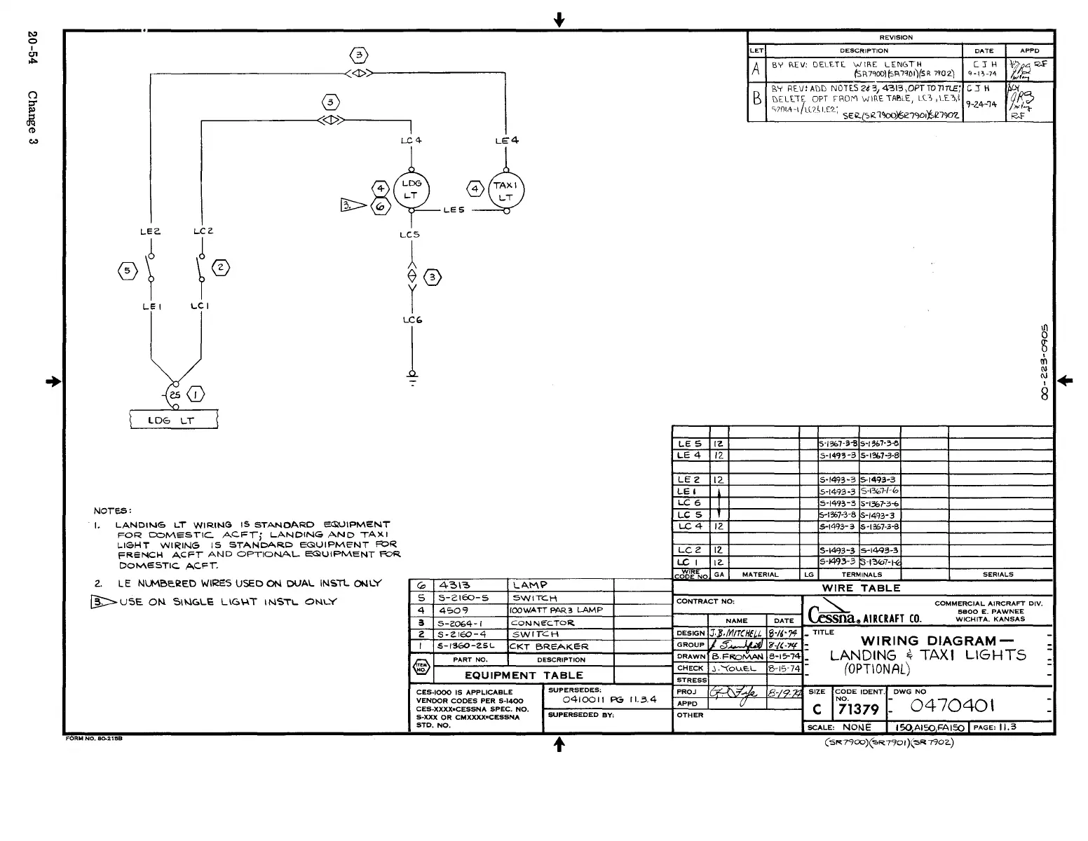
NOTES:
LC
5
,
~-1367-3-8
15-1493-3
I-
LANOIN6
L..T
WIRING
IS
STANDARD
E<llUIP/VIENT
LC4
IZ
5-1493-3 S-I:!b7-3-B
FOR
=MESTIC.
ACFT;
LANDING
AND
TA><'I
LIGHT
WIRING
15
STANDARD
EQUIPME'NT
FOR
Lce
IZ
S-I4'l3-3
S-1~3-3
FRENCH
AeFT
AND
OPTIONAL
EGlUIPMENT
FOR
L.C
I
12.
5-1493-3
1S-1~107-l-~
DON\E5TIC
ACFT.
WIRE
GA
MATERIAL
LG
TERMINALS
SERIALS
CODE
NO
2.
lE
NUMBI:.RED
WIRES
USED
ON
DUAL
INSTI..
OI>ILY
'"
4~1~
LAM\='
WIRE
TABLE
~USE.
ON.
Sll-Ic:.U:
UG\4T
INSTL
ONLY
5
5-2160
5
SWITCH
CONTRACT
NO:
~
COMMERCIAL
AIRCRAFT
DIV.
4
4';'09
IOOWATT
PAR.3
LAMP
~na
..
AIR(RAFT
(0.
5800
E.
PAWNEE
11
CONNe-CTO~
NAME
DATE
WICHITA.
KANSAS
s-e064-1
2
S-216O-4
SWITCH
DESIGN
J,].MITCHW
S-/~'7'f
-
TITLE
-
I
S-136O-2SL
CKT
BREAKER
GROUP
Lief.;
.J.L-JJ
'NO<f
-
WIRING
DIAGRAM-
-
LANDING
~
TAXI
LIGHTS
-
PART
NO.
DESCRIPTION
DRAWN
B.FRoMAN
8-15-74
_
-
@
CHECK
~.'-(oUE.L
5-15'74
-
(OPT\ONAL)
-
EQUIPMENT
TABLE
-
STRESS
CES-IOOO
IS
APPL.ICABLE
SUPERSEDES;
PROJ
:""-,,:::7
8-/9-7;
SIZE
rODE
IDENT.
DWG
NO
VENDOR
CODES
PER
5-1400
0410011
FG
11.3.4
(I
NO.
=
0470401
-
APPD
C 71379
CES-XXXX-CESSNA
SPEC.
NO.
-
s-xxx
OR
CMXXXX=CESSNA
SUPERSEDED
BY:
OTHER
STD.
NO.
SCALE:
NONE
ISOAI50I=AI!:O
I
PAGE,
11.3
FORM
NO.
8O-21!SB
t

Table of Contents

Other manuals for Cessna 150K

Related product manuals