EasyManua.ls Logo

CFMoto CF500 - Page 249

Default Icon
254 pages
Print Icon
To Next Page IconTo Next Page
To Next Page IconTo Next Page
To Previous Page IconTo Previous Page
To Previous Page IconTo Previous Page
Loading...
18. Electrical System
Ignition Coil Primary Peak Voltage: 150V
Caution: Do not touch the tester probes or the spark
plug to avoid electric shock.
z If the voltage is lower than the standard value,
check ignition coil and pick-up coil.
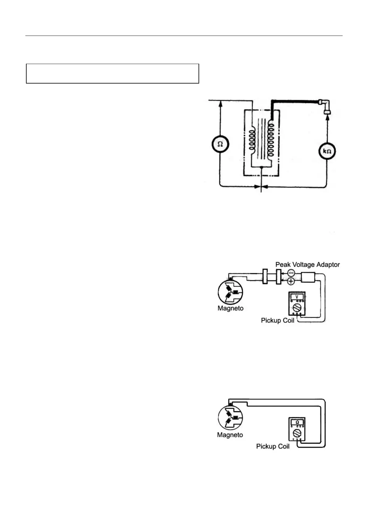
Ignition Coil Resistance
z Disconnect ignition coil lead wire and spark plug cap.
Remove ignition coil;
z Measure the ignition coil resistance in both primary
and secondary windings using the multimeter. If
both the primary and secondary windings are close
to the specified value, the ignition coil is in good
condition.
Ignition Coil Resistance
Primary: 0.1-1.5 (Terminal—Ground)
Secondary: 12-22K (Terminal—Spark Plug Cap)
Pickup Coil Peak Voltage
z Measure the pickup coil peak voltage in the
following steps:
z Connect multimeter and peak voltage adaptor as
illustrated on the right;
+Probe: Green lead wire
-Probe: Blue lead wire
z Shift the gear to neutral position and turn the ignition
switch to the “ON” position;
z Press the starter button and crank the engine
several seconds, then measure the pickup coil
primary peak voltage;
z Repeat above steps several times and take the
measured highest pickup coil peak voltage.
Set the multimeter to AC V position
Pickup Coil Peak Voltage: 4V
z If the voltage is lower than the standard value,
replace the pickup coil
Pickup Coil Resistance
Set the multimeter to 1x100 position
Pickup Coil Resistance: 120-130
z Replace the pickup coil if the resistance is not within
the value.
18-8

Related product manuals