EasyManua.ls Logo

CFMoto CF500 - Page 88

Default Icon
254 pages
Print Icon
To Next Page IconTo Next Page
To Next Page IconTo Next Page
To Previous Page IconTo Previous Page
To Previous Page IconTo Previous Page
Loading...
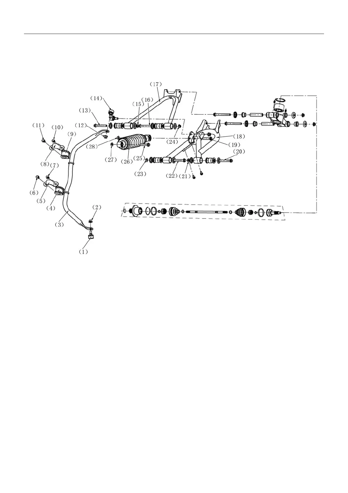
7. Rear Wheel, Rear Brake, Suspension
Rear Suspension System
Rear Right Suspension
NOTE
DO NOT remove both left and right suspension at the same time to avoid fall down of the vehicle.
(1) Left Ball Pin
(2) Nut 1
(3) Stabilizer Bar
(4)
Rubber Support, Right Rear Arm
(5) Bracket
(6) Bolt 1
(7) Bolt 2
(8) Bracket
(9) Rubber Support
(10) Bolt 3
(11) Bolt 4
(12) Nut 2
(13) Bolt5
(14) Right Ball Pin
(15) Nut 3
(16) Bolt 6
(17) Rear Right Upper Arm
(18) Rear Right Lower Arm
(19) Bolt 7
(20) Bolt 8
(21) Nut 4
(22) Bolt 9
(23) Nut 5
(24) Nut 6
(25)Bolt10
(26) Rear Right Absorber
(27) Nut 7
(28) Nut 8
Disassembly
Stabilizer Bar
Remove:
Bolt 1(6), Bolt 2 (7), Bolt 3 (10), Bolt 4 (11), Bracket (8)and(5),
Rubber Support (4) and (9), Nut 2 (2), Nut 10 (12), Left Ball Pin (1), Right Ball Pin (14)
Remove: Stabilizer Bar (3)
Installation:
Reverse the removal procedure for installation
7-5

Related product manuals