EasyManua.ls Logo

Chamberlain AGS 3000 - Wiring Diagram

Chamberlain AGS 3000
28 pages
Print Icon
To Next Page IconTo Next Page
To Next Page IconTo Next Page
To Previous Page IconTo Previous Page
To Previous Page IconTo Previous Page
Loading...
pg 19
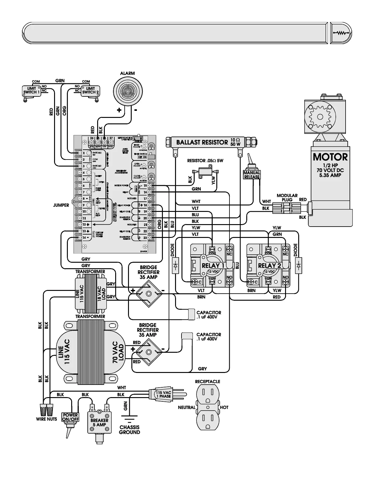
Wiring Diagram

Related product manuals