EasyManua.ls Logo

Chamberlain AGS 3000 - Wiring Diagrams

Chamberlain AGS 3000
28 pages
Print Icon
To Next Page IconTo Next Page
To Next Page IconTo Next Page
To Previous Page IconTo Previous Page
To Previous Page IconTo Previous Page
Loading...
pg 20
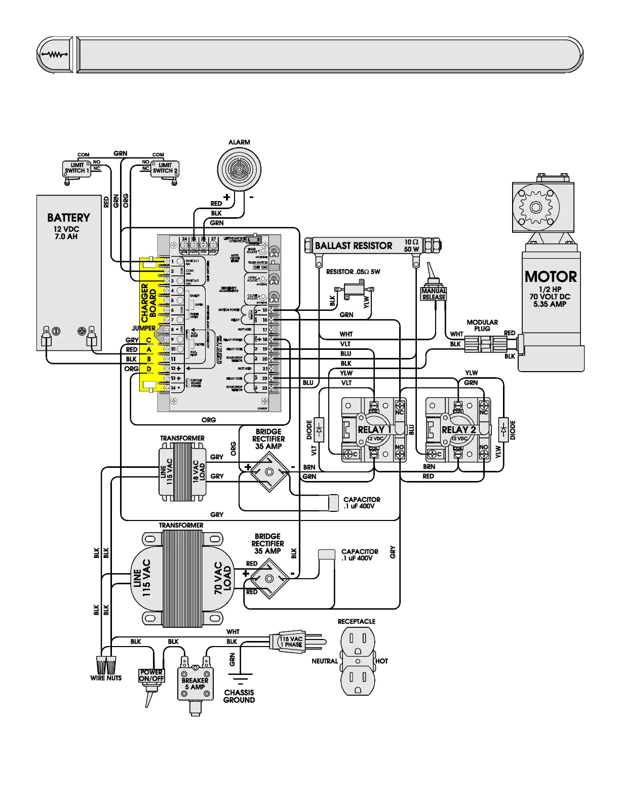
Wiring Diagrams
AGS 3000 WITH BATTERY BACK-
UP

Related product manuals