EasyManua.ls Logo

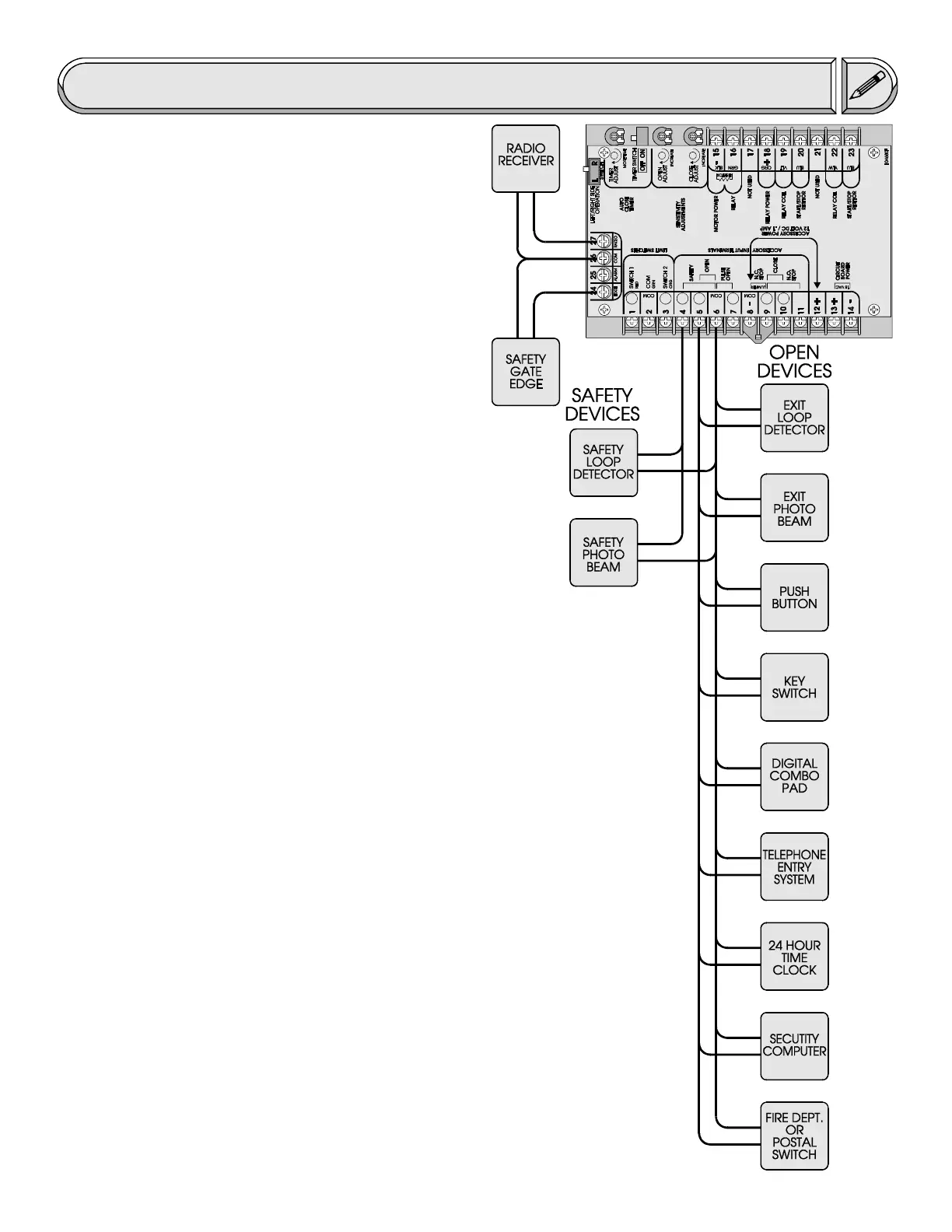
Chamberlain AGS 3000 - Other Commonly Used Open and Safety Devices

Chamberlain AGS 3000
28 pages
Print Icon
To Next Page IconTo Next Page
To Next Page IconTo Next Page
To Previous Page IconTo Previous Page
To Previous Page IconTo Previous Page
Loading...
pg 27
Notes
Other Commonly Used Open and Safety Deivices
Be sure to read this entire manual before attempting to
perform any type of installation or service to the gate opener.
Once the installation has been completed, this installa-
tion and service manual becomes the property of the home
owner or end user and should be given to the new owner at that
time.
For a personal copy of this manual, please contact an
AGS distributor.
NOTE:
z All open and safety devices must have
normally open contacts.
z For Devices requiring power, refer to
the specific diagram for that particular
device.

Related product manuals