EasyManua.ls Logo

Chloride EDP70 - Figure 1 - Block Diagrams - 24;36 Kva

Default Icon
65 pages
Print Icon
To Next Page IconTo Next Page
To Next Page IconTo Next Page
To Previous Page IconTo Previous Page
To Previous Page IconTo Previous Page
Loading...
MI00/10056 rev.1--05/2001-- page 7
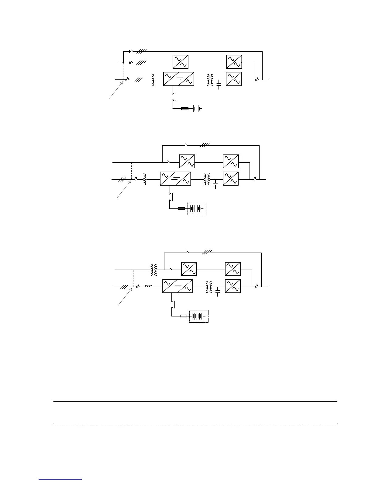
Figure 1 – Block diagrams – 24/36kVA
24kVA - STANDARD CONFIGURATION
Battery
Contactor
36kVA - STANDARD CONFIGURATION
Battery
Contactor
36kVA - 480V/208V CONFIGURATION
Battery
Contactor
S3
S3
IN THE ABSENCE OF A SEPARATE RESERVE
SUPPLY THE RESRVE IS DERIVED FROM THE
AC UTILITY INPUT WITH THE JUMPER
CONNECTED AS INDICATED
AC Supply
480V
Reserve Supply
480
208Y
S1
S2
IN THE ABSENCE OF A SEPARATE RESERVE
SUPPLY THE RESRVE IS DERIVED FROM THE
AC UTILITY INPUT WITH THE JUMPER
CONNECTED AS INDICATED
AC Supply
480
IN THE ABSENCE OF A SEPARATE RESERVE
SUPPLY THE RESRVE IS DERIVED FROM THE
AC UTILITY INPUT WITH THE JUMPER
CONNECTED AS INDICATED
Reserve Supply
208Y
S1
208Y
S2
S2
S3
S1
208Y/120V
AC Supply
Reserve Supply
290
2
240 Cells
(External)
1
208Y
250
3
4
5
S4
Maintenance By-pass
4
2
240 Cells
(External)
1
144 Cells
(Internal)
Maintenance By-pass
5
208Y
250
3
2
S4
Maintenance By-pass
3
1
208150
5
4
S4

Table of Contents

Related product manuals