EasyManua.ls Logo

Chloride EDP70 - Operational Modes

Default Icon
65 pages
Print Icon
To Next Page IconTo Next Page
To Next Page IconTo Next Page
To Previous Page IconTo Previous Page
To Previous Page IconTo Previous Page
Loading...
MI00/10056 rev.1--05/2001-- page 9
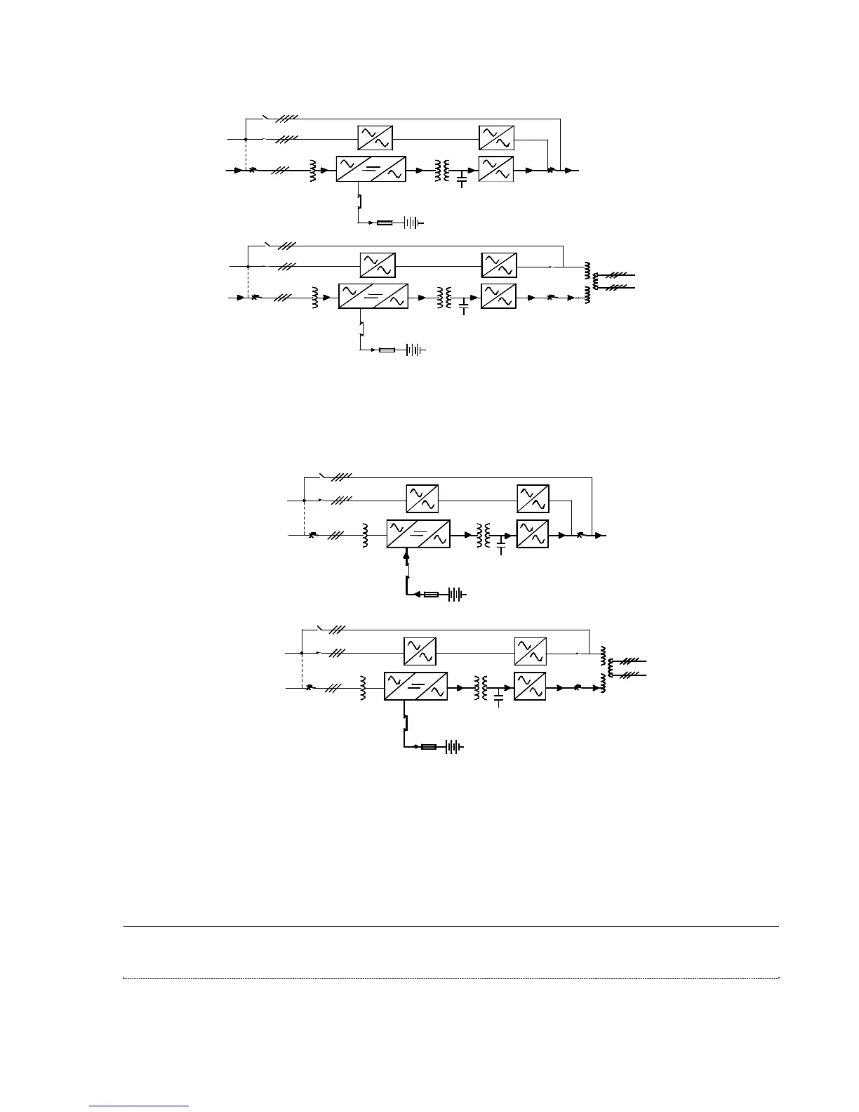
1.5 Operational modes
Figure 3 – Normal operation
During normal operation the load is supplied by the mains through the rectifier and inverter. The rectifier also
supplies the current for recharging and maintaining the battery in a fully charged state.
Figure 4 – Utility Supply failure
When the utility supply voltage is absent or outside the allowed tolerances, the battery supplies the inverter. This
will be indicated on the UPS front panel display and the Remote Alarm Unit (if fitted). The standby time available
depends both on the capacity of the battery and on the size of load. It is possible to extend autonomy by reducing
the output power by disconnecting non-important loads. In all cases, the alphanumerical display shows the residual
autonomy.
S3
AC Supply
S1
S2
Battery
Contactor
AC Supply
S1
S2
S3
Battery
Contactor
Maintenance By-pass
50/80kVA Ratings
S4
S5
208Y/120V
480Y/277V
LOAD
Maintenance By-pass
S4
24/36kVA Ratings
LOAD
Battery
Contactor
Battery
Contactor
LOAD
AC Supply
Reserve Supply
S1
S2
S3
AC Supply
Reserve Supply
S1
S2
S3
50/80kVA Ratings
Maintenance By-pass
208Y/120V
480Y/277V
S5
S4
24/36kVA Ratings
Maintenance By-pass
LOAD
S4

Table of Contents

Related product manuals