EasyManua.ls Logo

Chroma 63804 - Page 182

Default Icon
198 pages
Print Icon
To Next Page IconTo Next Page
To Next Page IconTo Next Page
To Previous Page IconTo Previous Page
To Previous Page IconTo Previous Page
Loading...
Programmable AC/DC Electronic Load 63800 Series Operation & Programming Manual
10-2
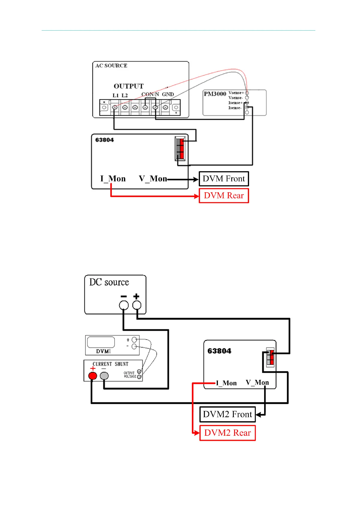
Figure 10-1: AC Load, AC Source, Power Analyzer and DVM Wiring Diagram
2. Figure 10-2: Use DC Source with high voltage or high current. Current Shunt follows test
current to select different ranges, the withstanding current of wire from Source to Shunt
and Load needs 45A above. The voltage output of Current Shunt connects to DVM1.
Use BNC to alligator clip cable to connect DVM Front terminal to V_Mon terminal of AC
Load. However, use another BNC to alligator clip cable to connect DVM Rear terminal to
I_Mon terminal of AC Load.
Figure 10-2: AC Load, DC Source, Current Shunt and DVM Wiring Diagram

Table of Contents

Related product manuals