EasyManua.ls Logo

CIAT AQUALIS 20 - Schéma de Principe du Module Hydraulique; Schéma de Principe Frigorifique

CIAT AQUALIS 20
44 pages
Print Icon
To Next Page IconTo Next Page
To Next Page IconTo Next Page
To Previous Page IconTo Previous Page
To Previous Page IconTo Previous Page
Loading...
15
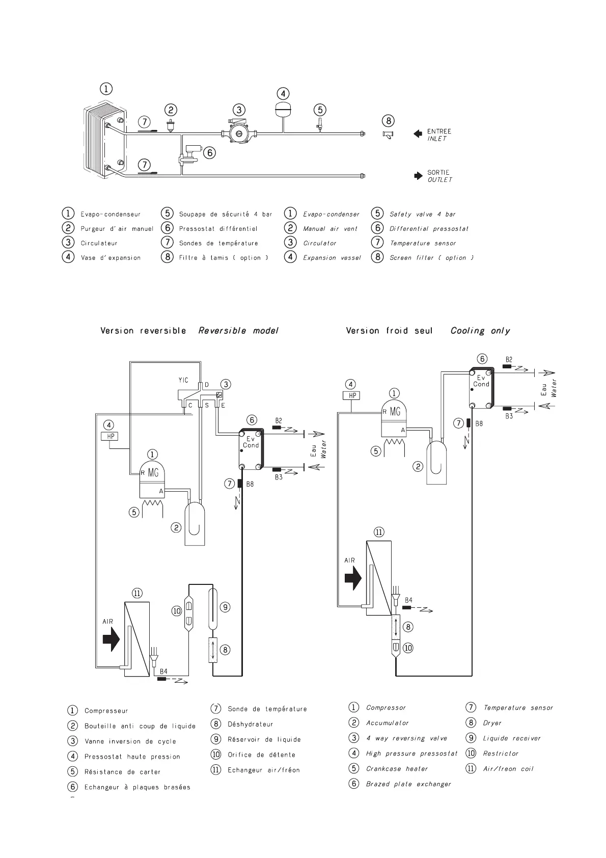
Schéma de principe frigorifique
Refrigeration principle diagram
Schéma de principe
du module hydraulique
Hydraulic module
principle diagram

Related product manuals