EasyManua.ls Logo

CIAT condenciat CD - Location of Refrigerating Circuits and Main Components

CIAT condenciat CD
24 pages
Print Icon
To Next Page IconTo Next Page
To Next Page IconTo Next Page
To Previous Page IconTo Previous Page
To Previous Page IconTo Previous Page
Loading...
EN
EN - 9 NA 06.130 C
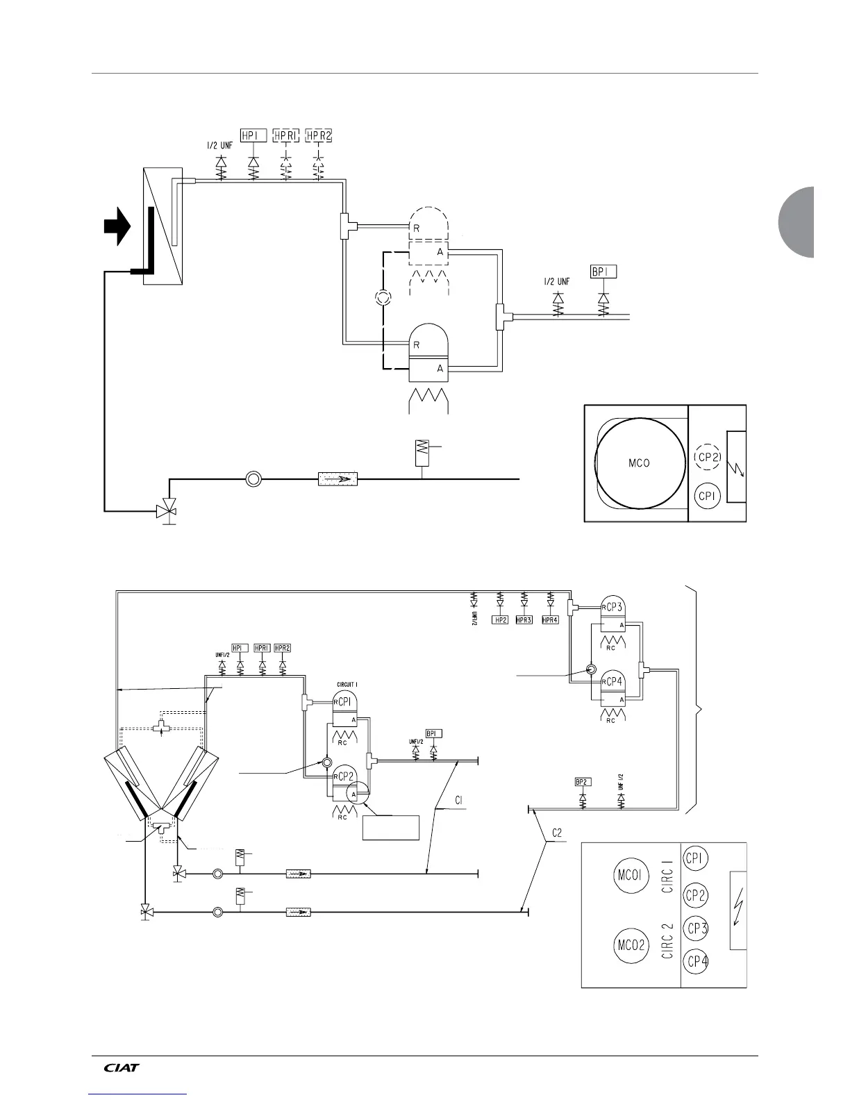
16 - LOCATION OF REFRIGERATING CIRCUITS AND MAIN COMPONENTS
100V to 300V
350V to 700V
Tandem oil warning light
From comp ZPI80
Tandem oil sight glass
From comp ZPI80
ADDITION OF GAS
RESTRICTION WASHER
ON 350-400 MODELS
Circuit 2
500 TO 700
ONLY
DEHUMIDIFIER
FILTER
350 400 models
CIRCUIT 2
350 400 models
500 TO 700 models
500 TO 700 models
180 TO 300 models
only
HYGROSCOPIC
SIGHT GLASS
DEHUMIDIFIER
FILTER
AIR
Oil sight glass on
Mod. 300 50HZ

Related product manuals