EasyManua.ls Logo

CIMLINE MA4 - MA4 Hydraulic Schematic

Default Icon
60 pages
Print Icon
To Next Page IconTo Next Page
To Next Page IconTo Next Page
To Previous Page IconTo Previous Page
To Previous Page IconTo Previous Page
Loading...
49
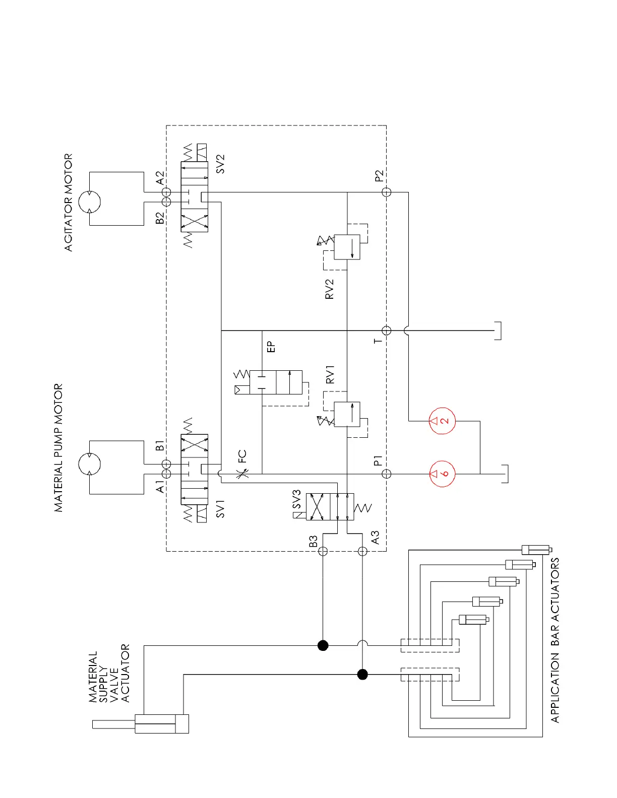
MA4 Hydraulic Schematic

Related product manuals