EasyManua.ls Logo

clage M 3 - Installation; Typical installation: vented (open) installation

clage M 3
Print Icon
To Next Page IconTo Next Page
To Next Page IconTo Next Page
To Previous Page IconTo Previous Page
To Previous Page IconTo Previous Page
Loading...
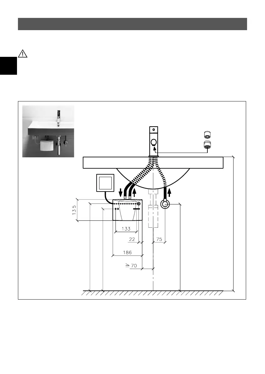
M 3..7
22
EN
3,5 / 4,4 kW: CSP 3
5,7 / 6,5 kW: CSP 6
Insert the special tap aerator:
Angle valve outlet G ⅜"
Electrical connection with
mains power cable
(shorten if necessary)
Angle valve approx. 550
Top edge of basin approx. 850
Fastening approx. 520
Cable inlet approx. 553
Fig. 3:
“Vented installation with a special open-outlet tap” (dimensions in mm)
Installation, initial operation and maintenance of this appliance must only be con-
ducted by an authorised professional, who will then be responsible for adherence to
applicable standards and installation regulations. We assume no liability for any damag-
es caused by failure to observe these instructions!
Installation
3. Installation
3.1 Typical installation: vented (open) installation

Table of Contents

Related product manuals