EasyManua.ls Logo

Clarke MIG151TE - Page 31

Clarke MIG151TE
43 pages
Print Icon
To Next Page IconTo Next Page
To Next Page IconTo Next Page
To Previous Page IconTo Previous Page
To Previous Page IconTo Previous Page
Loading...
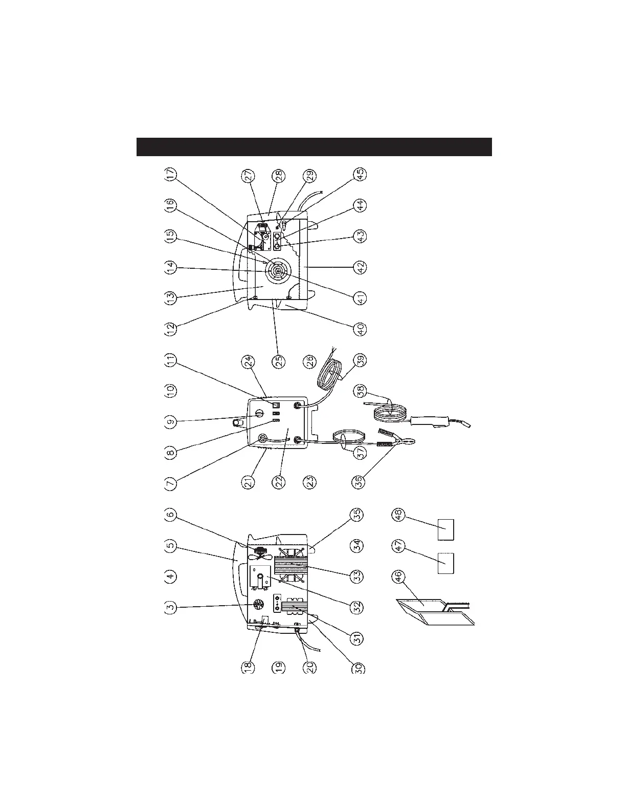
PARTS DIAGRAM - MIG 110E
31

Related product manuals