EasyManua.ls Logo

Clarke MIG151TE - Page 35

Clarke MIG151TE
43 pages
Print Icon
To Next Page IconTo Next Page
To Next Page IconTo Next Page
To Previous Page IconTo Previous Page
To Previous Page IconTo Previous Page
Loading...
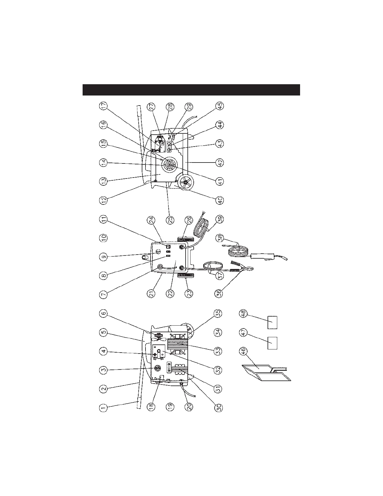
PARTS DIAGRAM - MIG 130EN
35

Related product manuals