EasyManua.ls Logo

Clarke MIG151TE - Page 37

Clarke MIG151TE
43 pages
Print Icon
To Next Page IconTo Next Page
To Next Page IconTo Next Page
To Previous Page IconTo Previous Page
To Previous Page IconTo Previous Page
Loading...
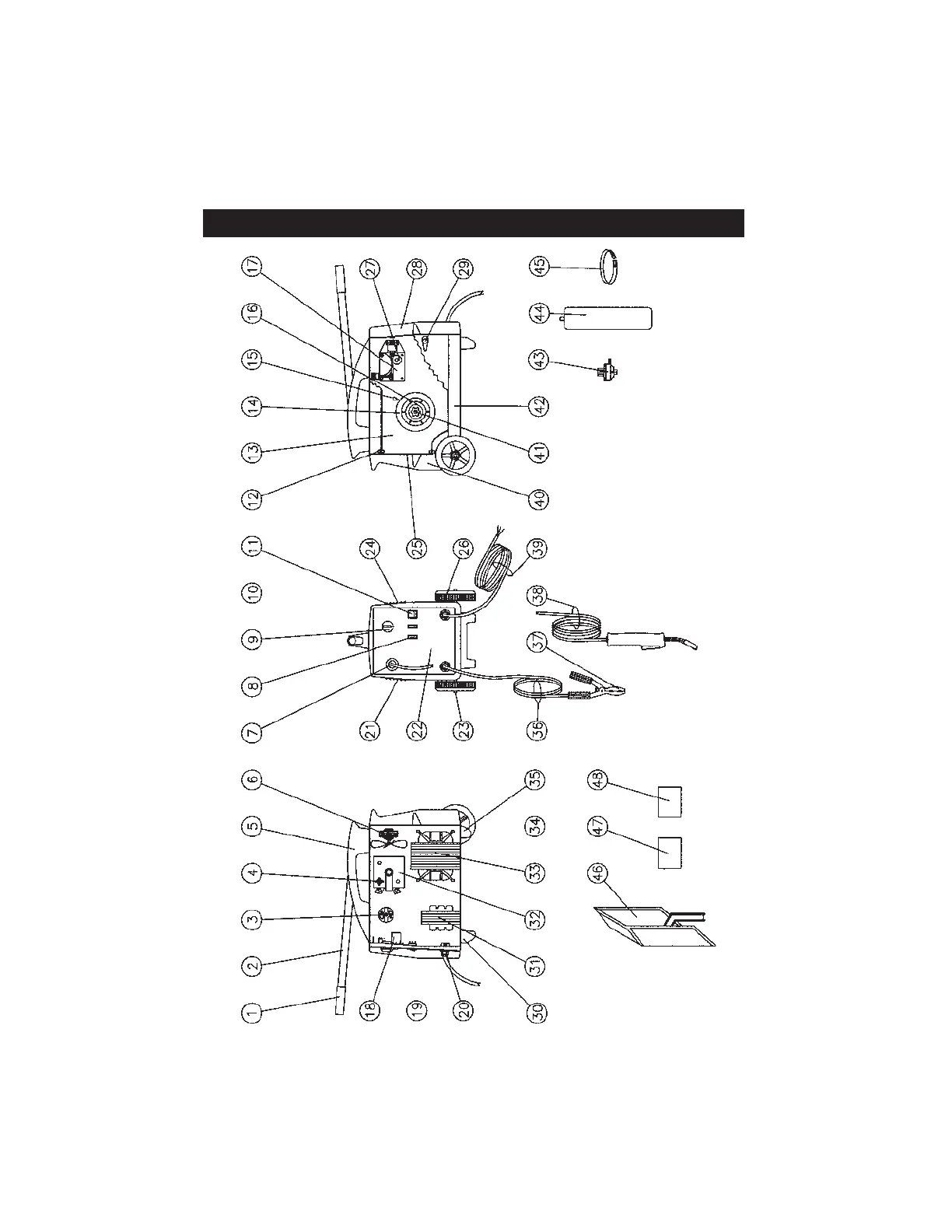
PARTS DIAGRAM - MIG 135TE
37

Related product manuals