EasyManua.ls Logo

Clarke OBS-18 - Assembly Drawing

Clarke OBS-18
33 pages
Print Icon
To Next Page IconTo Next Page
To Next Page IconTo Next Page
To Previous Page IconTo Previous Page
To Previous Page IconTo Previous Page
Loading...
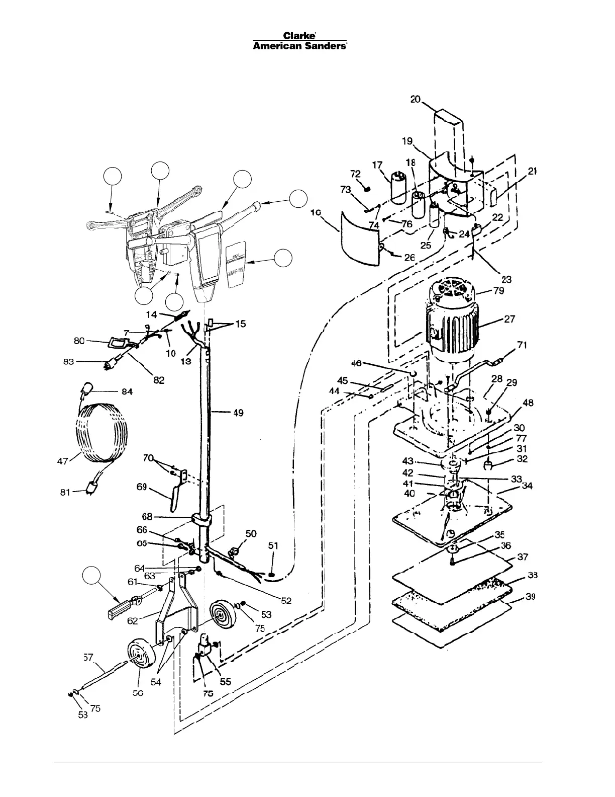
OBS-18 Assembly Drawing 12/09
- 28 - 70403B Clarke
®
American Sanders Operator's Manual - OBS-18/18 DC HDTR
58
7
2
3
6
1
5
4

Related product manuals