EasyManua.ls Logo

Clarke OBS-18 - Electrical Schematic

Clarke OBS-18
33 pages
Print Icon
To Next Page IconTo Next Page
To Next Page IconTo Next Page
To Previous Page IconTo Previous Page
To Previous Page IconTo Previous Page
Loading...
Clarke
®
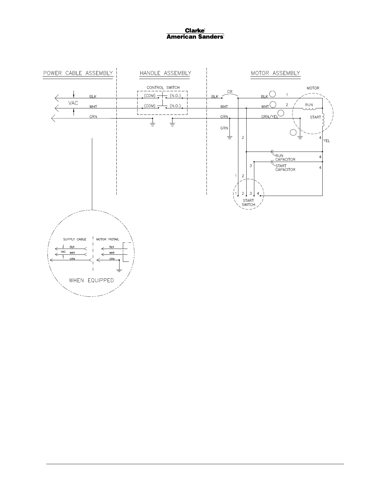
American Sanders Operator's Manual - OBS-18/18 DC HDTR 70403B - 31 -
D2
D2
D2
D3
OBS-18 & 18DC 120v 60 Hz & 230v 50Hz
Electrical Schematic 11/01

Related product manuals