EasyManua.ls Logo

Classic CL 4030 - Installing Circulation Pumps

Classic CL 4030
52 pages
Print Icon
To Next Page IconTo Next Page
To Next Page IconTo Next Page
To Previous Page IconTo Previous Page
To Previous Page IconTo Previous Page
Loading...
13
Section 1 - Furnace Installation
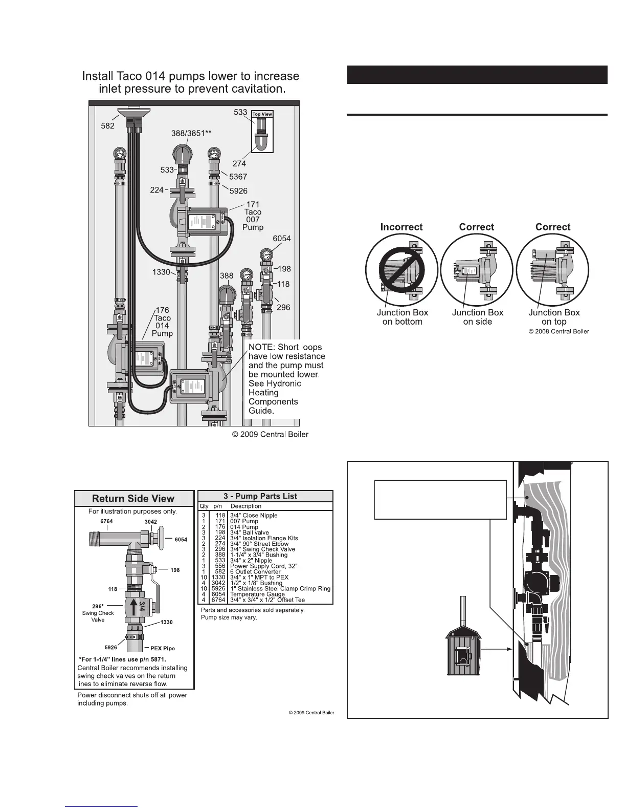
3-Pump Conguration (Taco 007 & Taco 014)
Fig. 12
3- Pump Parts List (Taco 007 & Taco 014)
Fig. 13
Installing Circulation Pumps
The following guidelines must be adhered to when
installing the circulation pump(s).
NOTE: See the Hydronic Component Selection
Guide (p/n 2482) for more information.
WARNING
Maximum load of the outlet on the outdoor
furnace is 10A, 120VAC, and 60Hz.
A. The pump motor must be installed in a horizontal
position.
B. The junction box must not be located below the
pump motor (see Fig. 14). If necessary, remove the
four screws and rotate the pump body.
Fig. 14
C. Do not operate the circulation pump until the entire
system has been lled with water and checked for
leaks or the pump will be damaged.
D. Insulate the areas around the supply and return lines,
pumps and drain valve (Fig. 15); then install and
secure the back panel.
Fig. 15
NOTE:Be sure to
insulate around the
pump(s) and water lines.
© 2007 Central Boiler
NOTE: If installing three pumps on the outdoor
furnace, use a UL approved adapter on the
receptacle outlet.

Table of Contents