EasyManua.ls Logo

CLIVET ELFORoom2 003.0 - Page 64

CLIVET ELFORoom2 003.0
316 pages
Go to English
To Next Page IconTo Next Page
To Next Page IconTo Next Page
To Previous Page IconTo Previous Page
To Previous Page IconTo Previous Page
Loading...
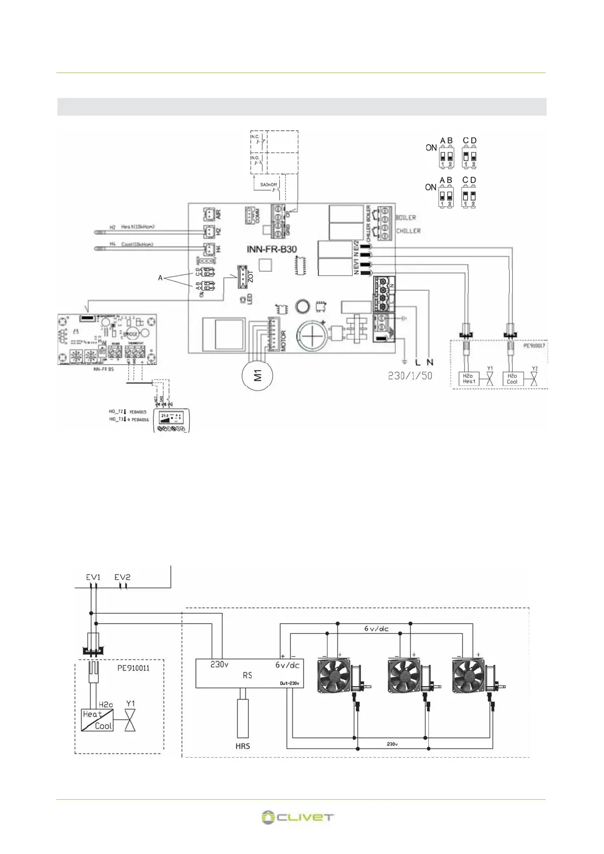
5 - ELECTRICAL CONNECTIONS
5.7 Connection to HID-Txx electronic room thermostat
4 Pipes : Y1 + Y2
2 Pipes : Y1
4 pipes
M1 = motor
On the wall
OFF unit
ON unit
BOILER Heating go-ahead output (boiler-caldaia)
free contact max 1A
CHILLER Cooling go-ahead output (chiller)
free contact max 1A
CP Remote ON / OFF
H2 Water temperature probe (10k)
(4 Pipes ĺ heating)
(2 Pipes ĺ cooling / heating)
H4 Water temperature probe (10)
(4 Pipes ĺ cooling)
Y1 Water solenoid valve (4 Pipes ĺ heating)
(2 Pipes ĺ heating / cooling)
Y2 Water solenoid valve (4 Pipes ĺ cooling)
Radiant optional
Only 2 pipes
Gr. 003.0 = n°1
2 pipes
Gr. 015.0 - 017.0 = n°3
Gr. 005.0 - 011.0 = n°2
HRS - Water temperature probe (10k)
A - dip-switch position
2 pipes version
4 pipes version
64

Other manuals for CLIVET ELFORoom2 003.0

Related product manuals