EasyManua.ls Logo

Cloud Z4II - Music Control; Connecting an RL-I Remote Control Plate

Cloud Z4II
18 pages
Print Icon
To Next Page IconTo Next Page
To Next Page IconTo Next Page
To Previous Page IconTo Previous Page
To Previous Page IconTo Previous Page
Loading...
Z4II & Z8II: Installation and User Guide 13
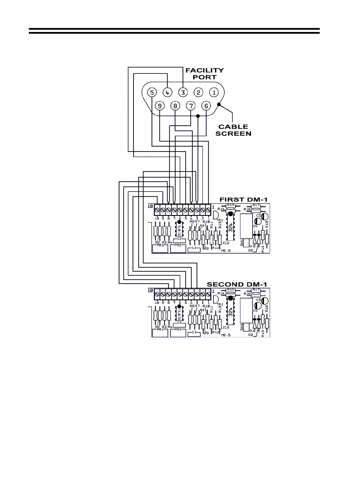
25.3 Wiring 2 or more DM-1’s in a daisy chain format.
30/05/03 V8

Other manuals for Cloud Z4II

Related product manuals