EasyManua.ls Logo

Cmsemicon SC8F577 Series - Page 44

Default Icon
181 pages
Print Icon
To Next Page IconTo Next Page
To Next Page IconTo Next Page
To Previous Page IconTo Previous Page
To Previous Page IconTo Previous Page
Loading...
V1.8
SC8F577x
44 / 181
www.mcu.com.cn
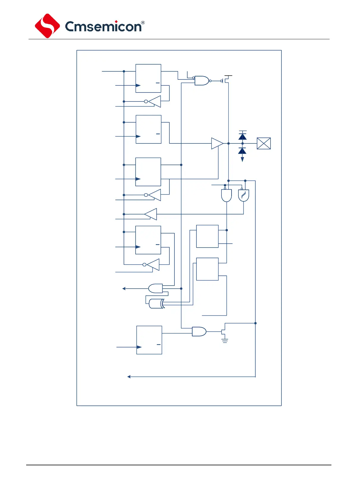
Data Bus
Write
WPUA
Read
WPUA
Write
PORTA
Write
TRISA
Read
TRISA
Read
PORTA
Weak
pull-up
VDD
I/O pin
VSS
D Q
CK
Q
D Q
CK
Q
D Q
CK
Q
VDD
Write
IOCA
D Q
CK
Q
Read
IOCA
Interrupt-
on-change
Q D
EN
Q D
EN
Analog
input mode
1
Analog
input mode
1
Q3
Read
PORTA
D Q
CK
Q
Write
WPDA
To A/D converter
Fig 6-1: I/O port structure (1)

Related product manuals