EasyManua.ls Logo

Cmsemicon SC8F577 Series - Page 45

Default Icon
181 pages
Print Icon
To Next Page IconTo Next Page
To Next Page IconTo Next Page
To Previous Page IconTo Previous Page
To Previous Page IconTo Previous Page
Loading...
V1.8
SC8F577x
45 / 181
www.mcu.com.cn
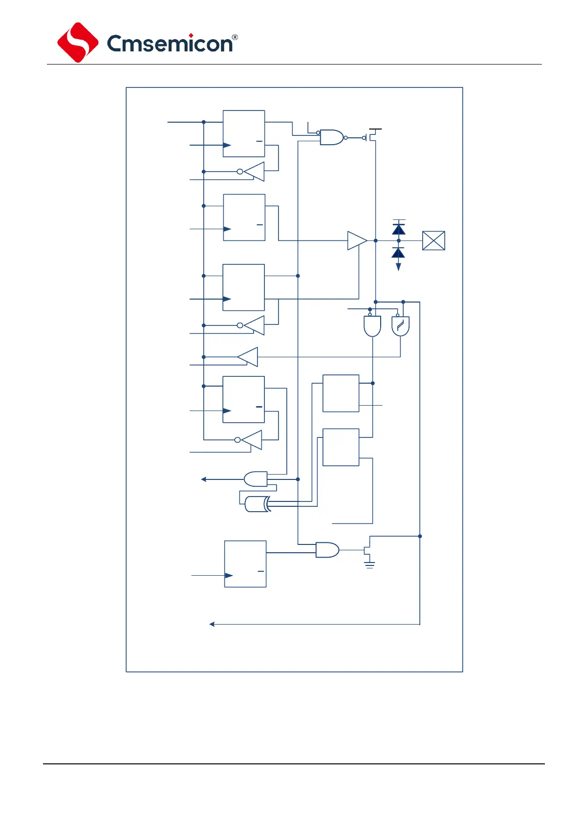
Data Bus
Write
WPUB
Read
WPUB
Write
PORTB
Write
TRISB
Read
TRISB
Read
PORTB
Weak
pull-up
VDD
I/O pin
VSS
D Q
CK
Q
D Q
CK
Q
D Q
CK
Q
VDD
Write
IOCB
D Q
CK
Q
Read
IOCB
Interrupt-
on-change
Q D
EN
Q D
EN
Analog
input mode
1
Analog
input mode
1
Q3
Read
PORTB
D Q
CK
Q
Write
WPDB
To A/D converter
Fig 6-2: I/O port structure (2)

Related product manuals