EasyManua.ls Logo

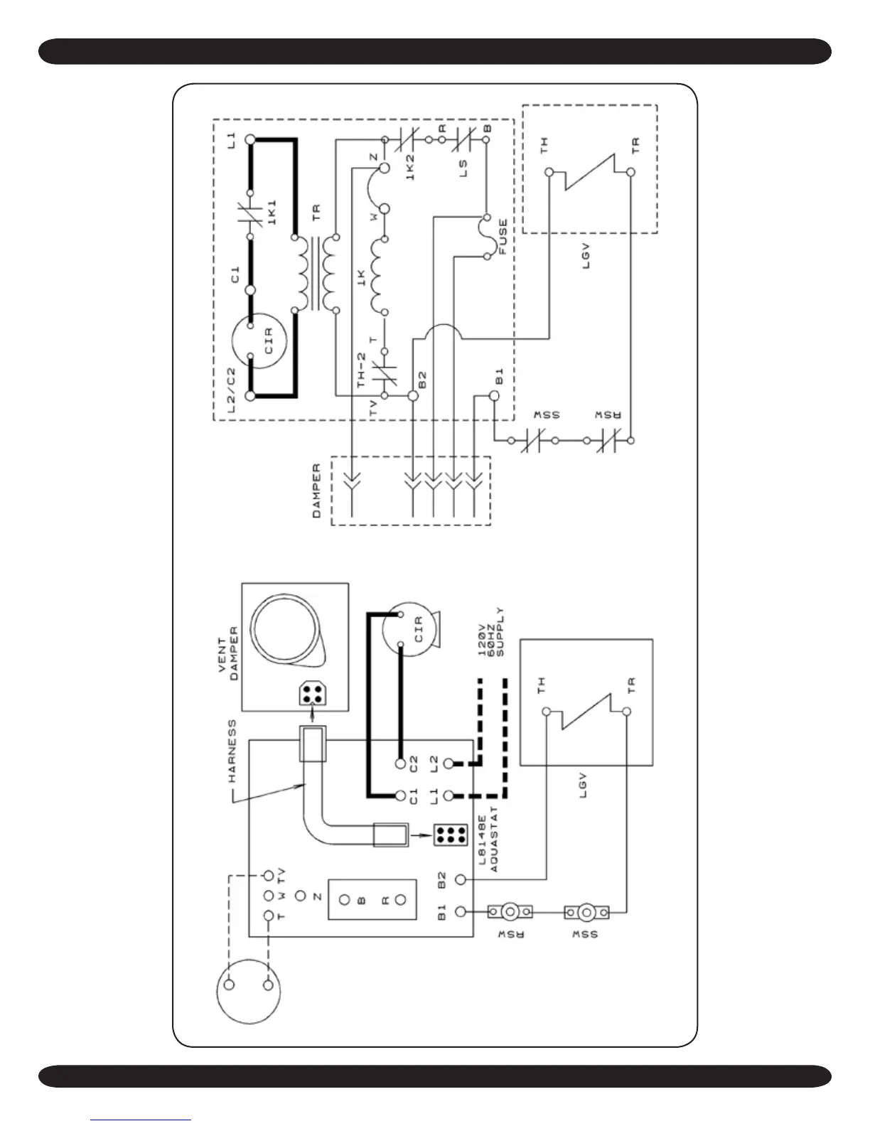
Columbia MCB50 - Wiring Diagram - 24 V Standing Pilot

Columbia MCB50
28 pages
Print Icon
To Next Page IconTo Next Page
To Next Page IconTo Next Page
To Previous Page IconTo Previous Page
To Previous Page IconTo Previous Page
Loading...
14
WIRING DIAGRAM - 24V STANDING PILOT
VR8200
OR
VR8300

Other manuals for Columbia MCB50

Related product manuals