EasyManua.ls Logo

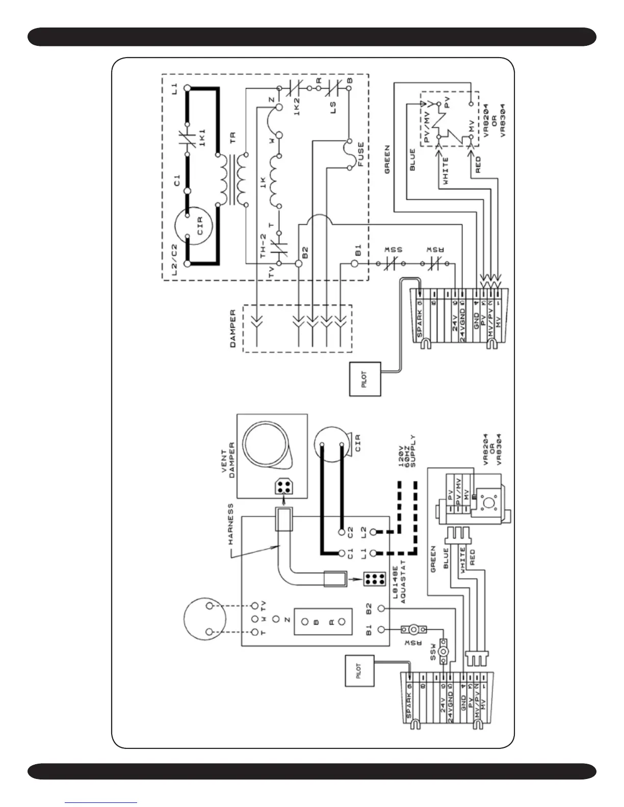
Columbia MCB50 - Wiring Diagram - Intermittent Ignition

Columbia MCB50
28 pages
Print Icon
To Next Page IconTo Next Page
To Next Page IconTo Next Page
To Previous Page IconTo Previous Page
To Previous Page IconTo Previous Page
Loading...
15
WIRING DIAGRAM - INTERMITTENT IGNITION

Other manuals for Columbia MCB50

Related product manuals