EasyManua.ls Logo

Comco MicroBlaster MB1000 - Page 84

Default Icon
102 pages
Print Icon
To Next Page IconTo Next Page
To Next Page IconTo Next Page
To Previous Page IconTo Previous Page
To Previous Page IconTo Previous Page
Loading...
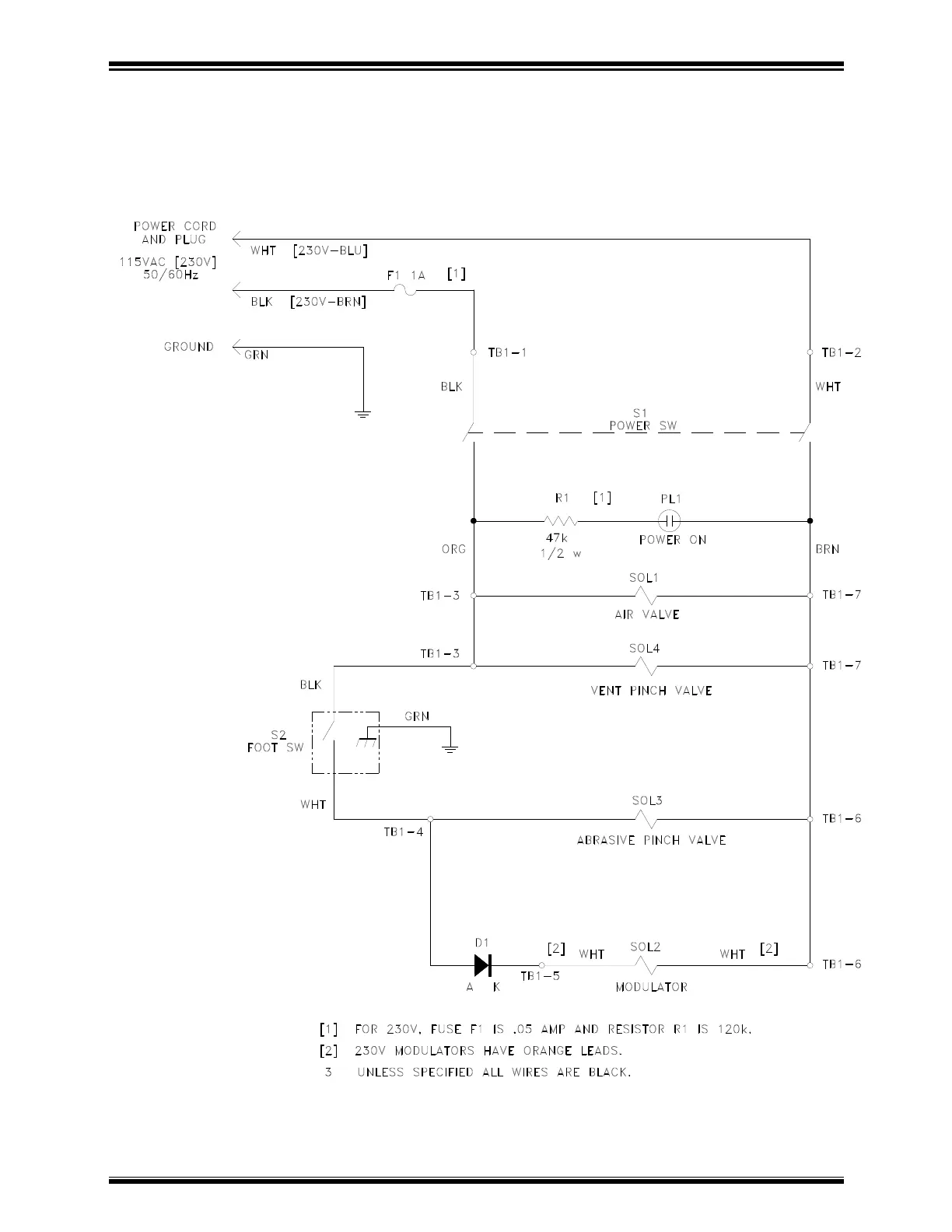
Appendix B: Drawings and Schematics MicroBlaster MB1000
Comco Inc. B-6 Issue Date: July 2016
FIGURE 4A: ELECTRICAL SCHEMATIC, MODEL MB1000