EasyManua.ls Logo

Comco MicroBlaster MB1000 - Page 85

Default Icon
102 pages
Print Icon
To Next Page IconTo Next Page
To Next Page IconTo Next Page
To Previous Page IconTo Previous Page
To Previous Page IconTo Previous Page
Loading...
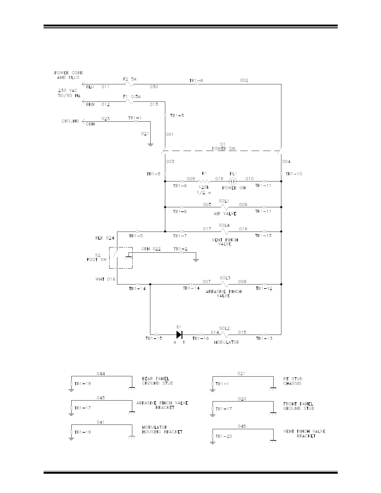
MicroBlaster MB1000 Appendix B: Drawings and Schematics
Comco Inc. B-7 Issue Date: July 2016
FIGURE 4B: ELECTRICAL SCHEMATIC, MODEL MB1000-CE