EasyManua.ls Logo

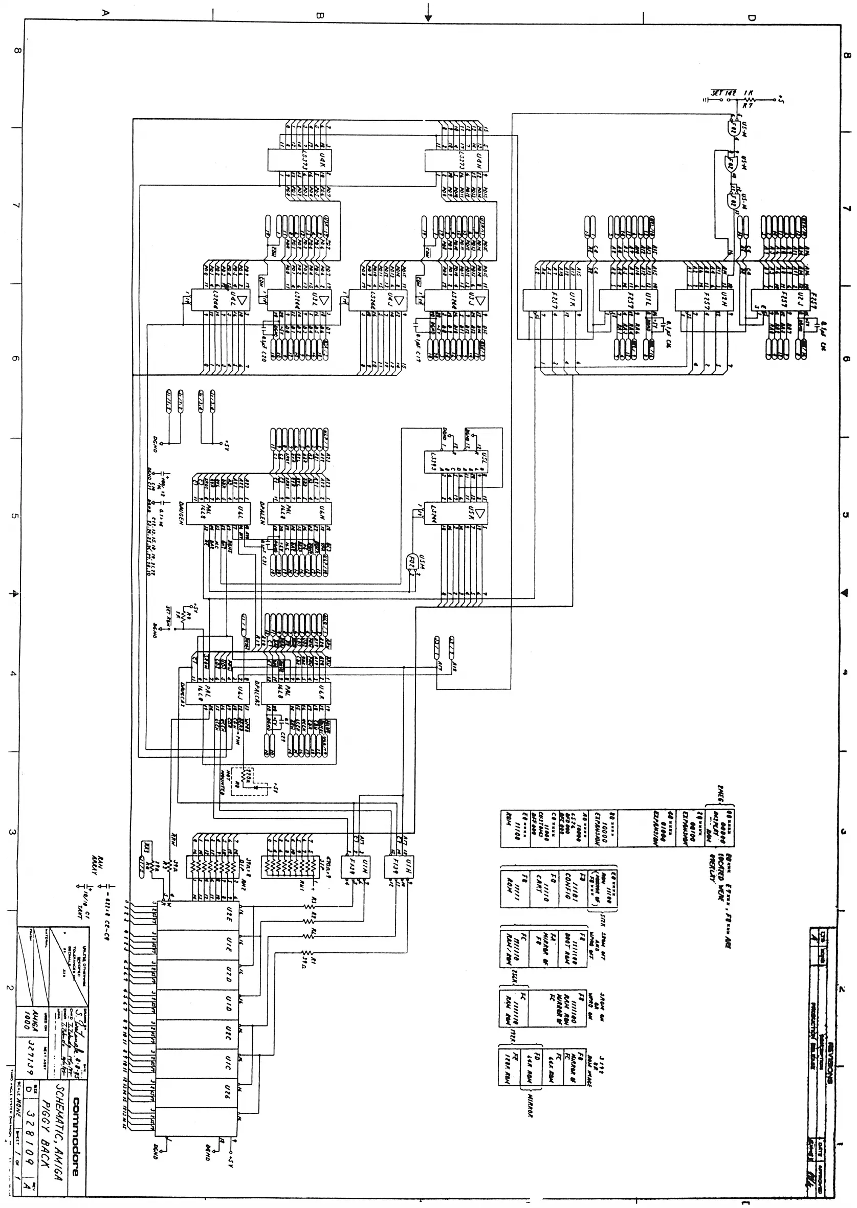
Commodore Amiga - Piggyback Pcb

Commodore Amiga
59 pages
Print Icon
To Next Page IconTo Next Page
To Next Page IconTo Next Page
To Previous Page IconTo Previous Page
To Previous Page IconTo Previous Page
Loading...
8
6
B
t v £*
r^r [***}•,
______
J f T F F *
____________
.
C S 1
1 A 1 1
fW—p
r m z
£§m ff * * r f f|*»» ARf
(*C47&> W X
HOCijtr
+SY
J J L L . / // J / // / 2 /// / / i
Tti T TtJ TjTt 4 s < 7 7th
hum u rr/jMts
i - «W*# c t~ c t
RAN i
ARRAY
iW/# cr
J 7AMT
VUU OTV«»«»M
Ktorcc
romiMcxi^r
commodore
* jii
S C H E M A T IC , A M / G A
P /G G Y 8 A C A
________
____________
_
_____
_
______
—
AMIGA
to o o
WiT amt
Je 7 /j?
d !
3 2 8 / 0 9 1?
---------------------
» C * L l ^ f ItMCtT / pr
f

Other manuals for Commodore Amiga

Related product manuals