EasyManua.ls Logo

Compass RALLYE - Electrical Drawings; Rallye Model Wiring Diagram

Default Icon
134 pages
Print Icon
To Next Page IconTo Next Page
To Next Page IconTo Next Page
To Previous Page IconTo Previous Page
To Previous Page IconTo Previous Page
Loading...
15-1
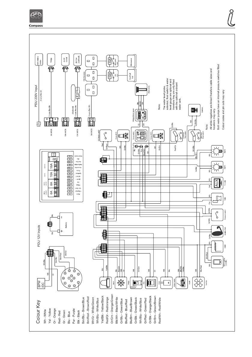
ELECTRICAL DRAWINGS
WIRING DIAGRAM - RALLYE

Table of Contents

Related product manuals