EasyManua.ls Logo

Comprag RDX12 - Schaltplan

Default Icon
80 pages
Print Icon
To Next Page IconTo Next Page
To Next Page IconTo Next Page
To Previous Page IconTo Previous Page
To Previous Page IconTo Previous Page
Loading...
41
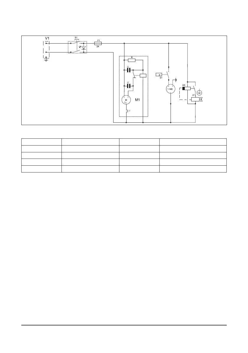
COMPRAG RDX-Serie Druckluft Kältetrockner
К5 Zeitsteuerung M1 Kompressor
S1. Start/Stop-Taster M2 Lüfter
F1 Sicherung A1 Kondensatablassventil
V1 Stecker S1 Druckschalter Lüfter
F Temperaturschalter
3.5 Schaltplan
Abb.3.5.1 V.2 Schaltplan RDX 04-77

Table of Contents

Related product manuals