EasyManua.ls Logo

Comprag RDX12 - Принцип Работы

Default Icon
80 pages
Print Icon
To Next Page IconTo Next Page
To Next Page IconTo Next Page
To Previous Page IconTo Previous Page
To Previous Page IconTo Previous Page
Loading...
60
Версия 2.2
2.3 Принцип работы
2
1
9
6
5
8
7
34
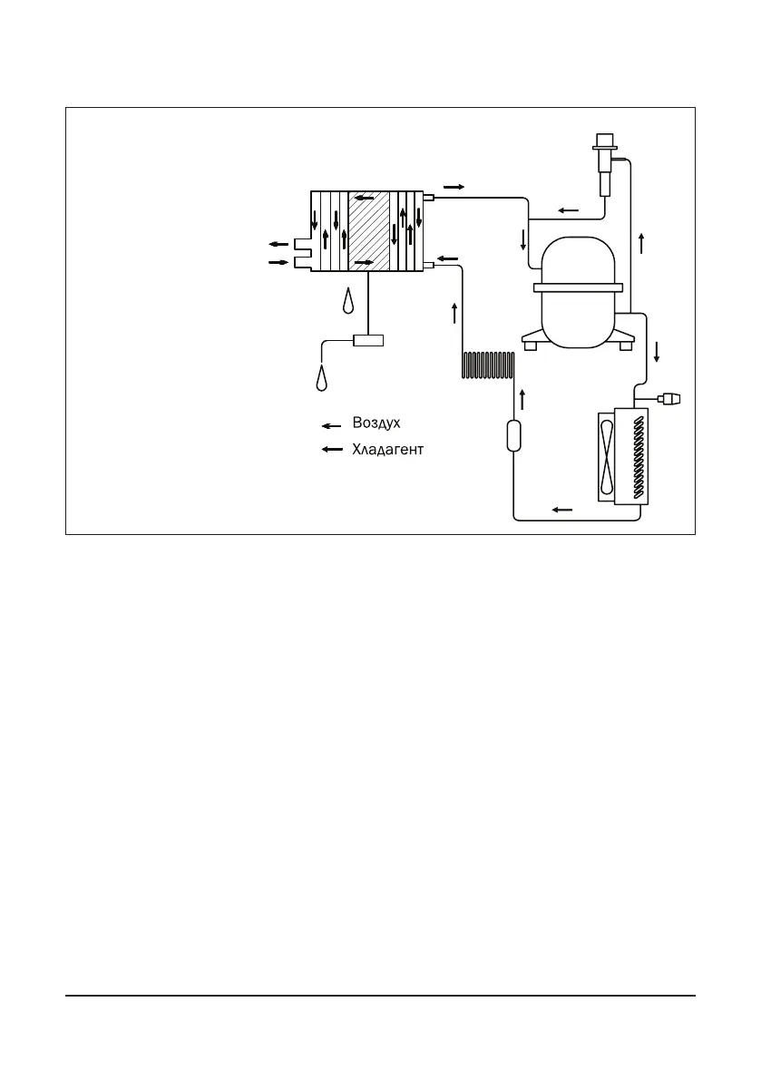
Схема работы осушителя
1.Компрессор
2.Испаритель-осушитель
3.Конденсатор
4.Вентилятор конденсатора
5.Фильтр влагоотделитель
6.Капиллярная трубка
7. Клапан перепуска горячего
газа (байпасный клапан)
8.Реле давления
9.Конденсатоотводчик
Компрессор (1) нагнетает горячий хладагент в конденсатор (3), где большая часть
хладагента переходит в жидкую фазу; сконденсированный хладагент проходит фильтр водо-
отделитель(5), расширяется посредством капиллярной трубки(6), а затем возвращается в
испаритель (2), где и используется для охлаждения входящего сжатого воздуха. В резуль-
тате теплообмена между хладагентом и сжатым воздухом, противотоком проходящим
через испаритель, хладагент испаряется и возвращается в компрессор на новый цикл.
Контур оснащен перепускной системой, которая позволяет регулировать интенсивность
охлаждения в зависимости от действительной нагрузки. Регулировка выполняется перепу-
ском горячего газа через клапан (7): данный клапан поддерживает постоянное давление
хладагента в испарителе; таким образом, значение точки росы никогда не опускается
ниже 3°C для предотвращения замерзания хладагента внутри испарителя. Осушитель
работает полностью в автоматическом режиме.

Table of Contents

Related product manuals