EasyManua.ls Logo

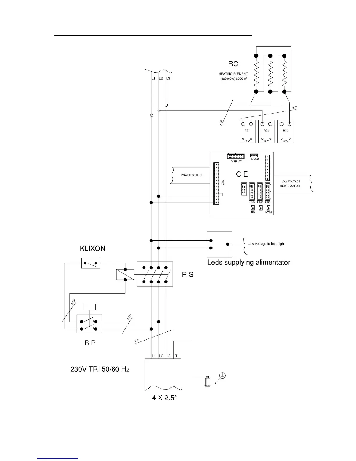
Conti X-one - ELECTRICAL HEATING CIRCUIT FOR X-ONE 2;3 G 230 V 3 L PE 6000 W

Conti X-one
44 pages
Print Icon
To Next Page IconTo Next Page
To Next Page IconTo Next Page
To Previous Page IconTo Previous Page
To Previous Page IconTo Previous Page
Loading...
Edition 05/2014 - X-ONE - page 40
SACOME, CONFIDENTIAL Document,
it is forbidden to duplicate or communicate this document without previous authorization.
17.5 ELECTRICAL HEATING CIRCUIT FOR X-ONE 2/3G 230V 3L PE 6000W

Related product manuals