EasyManua.ls Logo

Control Techniques Commander SKA1200075 - Page 46

Control Techniques Commander SKA1200075
46 pages
Print Icon
To Previous Page IconTo Previous Page
To Previous Page IconTo Previous Page
Loading...
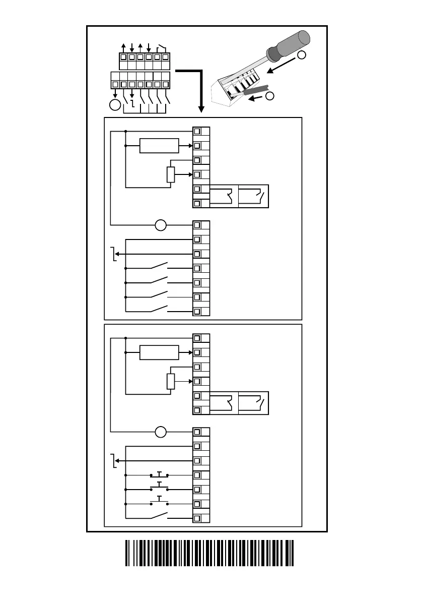
0472-0000-01
T1
T2
T3
T4
0V
Remote current speed
reference input (A1)
+10V reference output
Local voltage speed
reference input (A2)
B1
B2
B3
B4
B5
B6
B7
+24V output
Drive Enable/Reset
Run Forward
Run Reverse
Local (A2)/Remote (A1)
speed reference select
Remote speed
reference input
V
_
+
10k
(2kmin)
+24V
0V
Pr 29 = Eur
A
nalog output
(motor speed)
Digital output
(zero speed)
T5
T6
OK Fault
T1
T2
T3
T4
0V
Remote current speed
reference input (A1)
+10V reference output
Local voltage speed
reference input (A2)
B1
B2
B3
B4
B5
B6
B7
+24V output
Not stop
Run
Jog
Local (A2)/Remote (A1)
speed reference select
Remote speed
reference input
V
_
+
10k
(2kmin)
+24V
0V
Pr 29 = USA
A
nalog output
(motor speed)
Digital output
(zero speed)
T5
T6
OK Fault
T3 T4 T5 T6T1 T2
B3 B4 B5 B6B1 B2 B7
0V
A1
+10V
A2
1
2
V

Related product manuals