EasyManua.ls Logo

Control Techniques Unidrive 5401 - Menu 4: Current Control

Control Techniques Unidrive 5401
208 pages
Print Icon
To Next Page IconTo Next Page
To Next Page IconTo Next Page
To Previous Page IconTo Previous Page
To Previous Page IconTo Previous Page
Loading...
Safety
Information
Product
Information
Mechanical
Installation
Electrical
Installation
Getting
Started
Menu 0
Running
the motor
Optimisation Macros
Advanced
Parameters
Technical
Data
Diagnostics
UL Listing
Information
Unidrive User Guide 135
Issue Number: 9 www.controltechniques.com
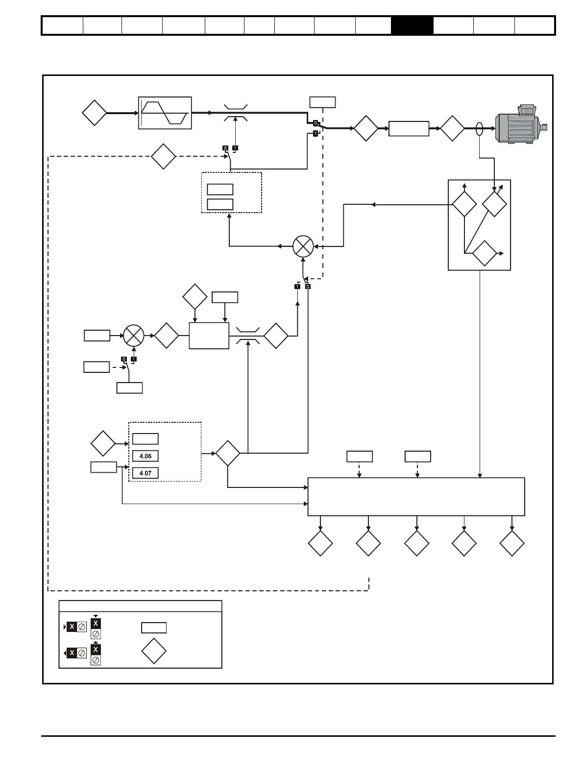
10.4 Menu 4: Current control
Figure 10-5 Menu 4 Open-loop logic diagram
* For more information, please refer to section 10.22.3 Torque
Modes on page 183.
** For more information, please refer to section 10.22.5 Mains loss
modes on page 185.
4.08
4.10
4.09
10.0910.08
4.15 4.16
4.18
11.32
5.07
4.05
Motoring
Regenerating
Current limits
Symmetrical
Drive rated
continuous
current
Motor rated
current
Over-riding
current limit
4.03
Tor q ue
demand
Torque reference
offset
Torque
reference*
Torque
reference
offset
enable
+
Motor thermal
time constant
Motor protection
mode
At 100%
load
indicator
Current limit
active
indicator
Active
current
Current
magnitude
Magnetising
current
4.02 - Active
current
(Amp)
4.20 - Percentage
torque
current
4.02
4.20
4.17
4.01
10.174.19
Motor
overload
accumulator
Motor current
overload alarm
indicator
10.39
Braking energy
overload
indicator
4.04
Percentage
current
demand
Torque to
current
conversion
5.06
Motor
frequency
5.01
Motor
rated
frequency
5.01
Motor map
2.01
Post ramp
reference
Motor
frequency
2.01
Tor q u e m o d e
selector*
4.11
4.13
4.14
P gain**
I gain**
Current loop
10.09
Current
limit
active
2.01
Pre ramp
reference
1.03
Menu
2
ramp
controller
+
0.XX
0.XX
Key
Read-write (RW)
parameter
Read-only (RO)
parameter
Input
terminals
Output
terminals
+
_
The parameters are all shown at their default settings

Table of Contents

Related product manuals