EasyManua.ls Logo

Corken F1521 - Outline Dimensions

Default Icon
40 pages
Print Icon
To Next Page IconTo Next Page
To Next Page IconTo Next Page
To Previous Page IconTo Previous Page
To Previous Page IconTo Previous Page
Loading...
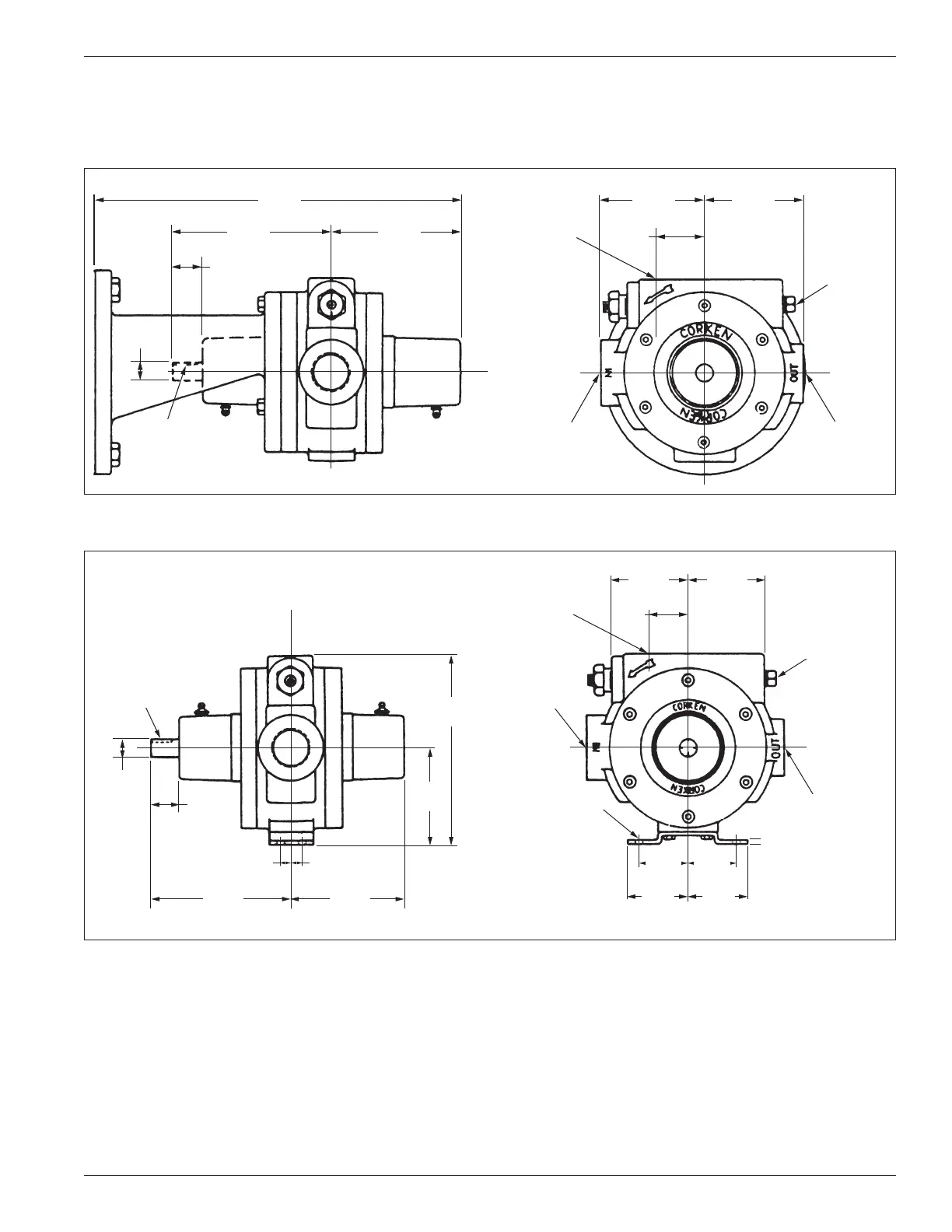
D. Outline Dimensions
All dimensions are in inches (centimeters).
Appendix DOutline Dimensions for Models D51 and F51
1-5/16
(28.7)
3-3/8
(8.57)
1-7/16
(3.65)
3-3/16
(8.10)
4-5/8
(11.7)
15/16
(2.38)
3 -11/16
(9.36)
9/16
(1.43)
E” keyway
Inlet 1" NPT
Outlet 3/4" NPT
1/4" pipe plug
Relief valve outlet:
1/2" NPT
Model D51 (Direct Mount)
Model F51 (Frame Mount)
3-3/8
(8.57)
1-7/16
(3.65)
1/8
(0.32)
3-3/16
(8.10)
4-5/8
(11.7)
15/16
(2.38)
6-1/8
(15.6)
3 -11/16
(9.36)
9/16
(1.43)
3-1/8
(7.9 3)
7/16
(1.10)
7/16
(1.10)
E” keyway
Inlet 1" NPT
Outlet 3/4" NPT
1/4" pipe plug
Relief valve outlet:
1/2" NPT
Four
9/16" x 11/32"
(1.40 x 0.87)
slots
1-11/16
(4.29)
1-11/16
(4.29)
2
(5.08)
2
(5.08)
21

Related product manuals