EasyManua.ls Logo

Cornelius IMD300-15A - Page 26

Cornelius IMD300-15A
30 pages
Print Icon
To Next Page IconTo Next Page
To Next Page IconTo Next Page
To Previous Page IconTo Previous Page
To Previous Page IconTo Previous Page
Loading...
Countertop Icemaker IMD Series Installation Manual
Publication Number: 638085277INS - 22 - © 2004-2012, IMI Cornelius Inc.
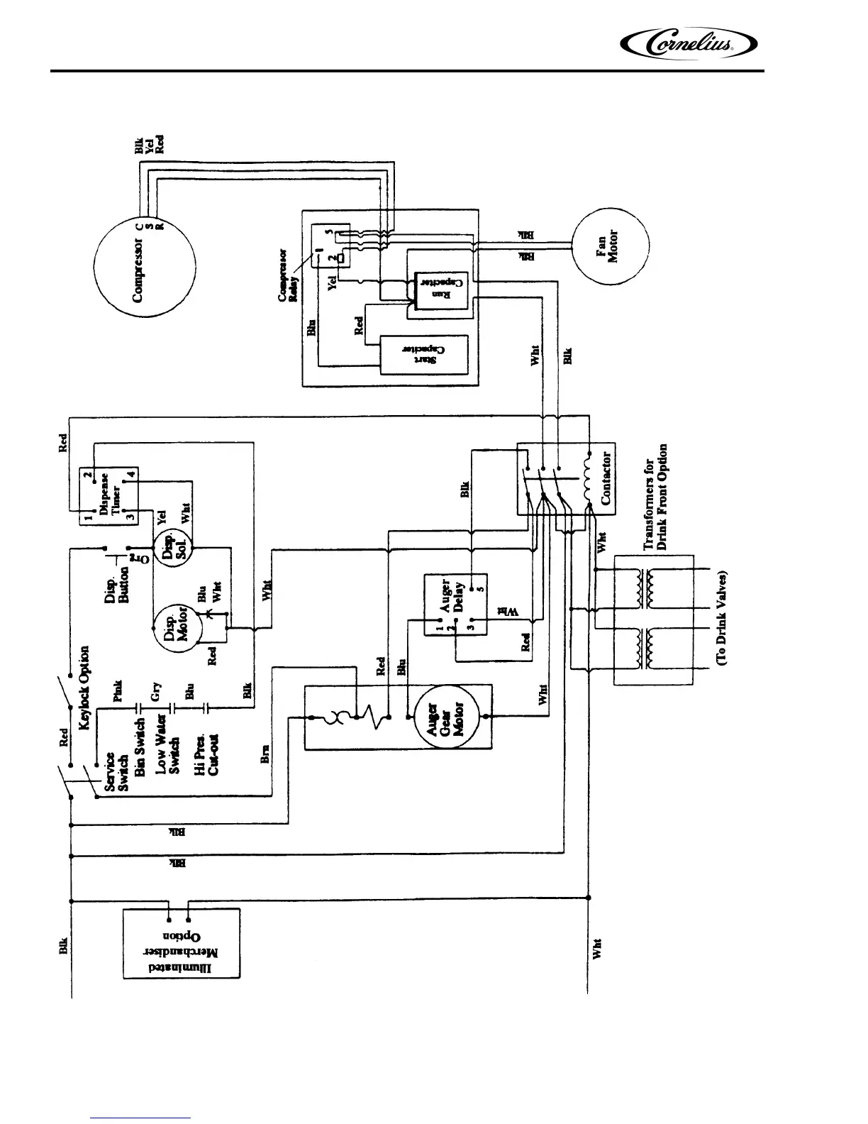
Figure 16. Schematic IMD 300-30, IMD 600-30, IMD 601-30, IMD 600-90 and IMD 601-90

Related product manuals